EasyManua.ls Logo

Emerson CHD200GICK - Output Connections

Emerson CHD200GICK
10 pages
Print Icon
To Next Page IconTo Next Page
To Next Page IconTo Next Page
To Previous Page IconTo Previous Page
To Previous Page IconTo Previous Page
Loading...
CHD200G series Fingerprint Reader
4
3.2.2.7 ID with password
Input User and press # as the end, input the user password in 10s, if succeed, will output
the User ID by the set Wiegand input format. If the device is as Out direction, output Wiegand
29 only. Swipe card to output the associated Card No.
3.2.2.8 Swipe card with password
Input User and press # as the end, input the user password in 10s, if succeed, will
output the User ID by the set Wiegand input format. If the device is as Out direction, output
Wiegand 29 only. Input fingerprint to output the associated User ID
3.2.2.9 Fingerprint with password
Input Fingerprint, input the user password and press # as the end in 10s, if succeed,
will output the User ID by the set Wiegand input format. If the device is as Out direction, output
Wiegand 29 only. Swipe card to output the associated Card No.
3.2.2.10 Change Device ID
Using ID as 0 to connect the device with the software, then use the software to change the
ID, available range is from 1 to 254.
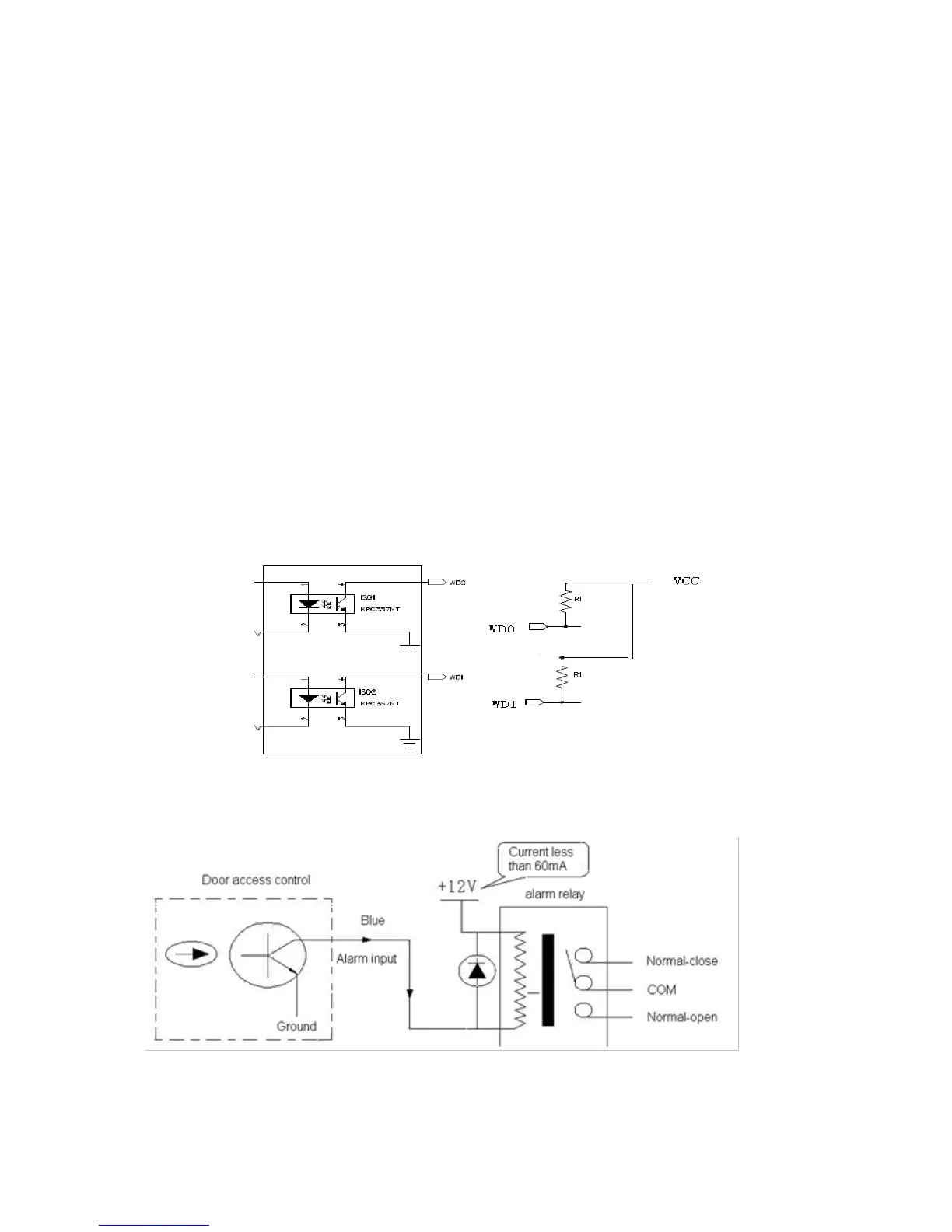
3.3 Output Connection
3.3.1 Wiegand Output connection
Fingerprint Reader Controller
3.3.2 Tamper alarm output connections

Related product manuals