EasyManua.ls Logo

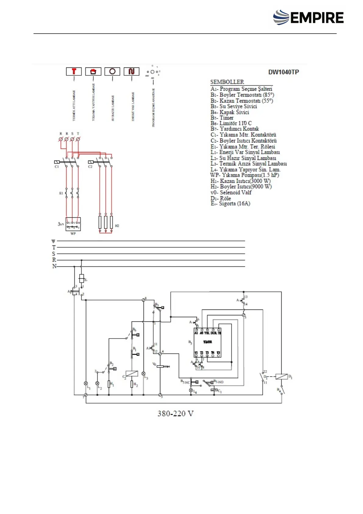
Empire DW1040TP - 11. ELECTRIC DIAGRAM

Empire DW1040TP
20 pages
Print Icon
To Next Page IconTo Next Page
To Next Page IconTo Next Page
To Previous Page IconTo Previous Page
To Previous Page IconTo Previous Page
Loading...
13 / 20
11. ELECTRIC DIAGRAM

Related product manuals