EasyManua.ls Logo

EngA Engineered Air XES225 - Page 15

Default Icon
30 pages
Print Icon
To Next Page IconTo Next Page
To Next Page IconTo Next Page
To Previous Page IconTo Previous Page
To Previous Page IconTo Previous Page
Loading...
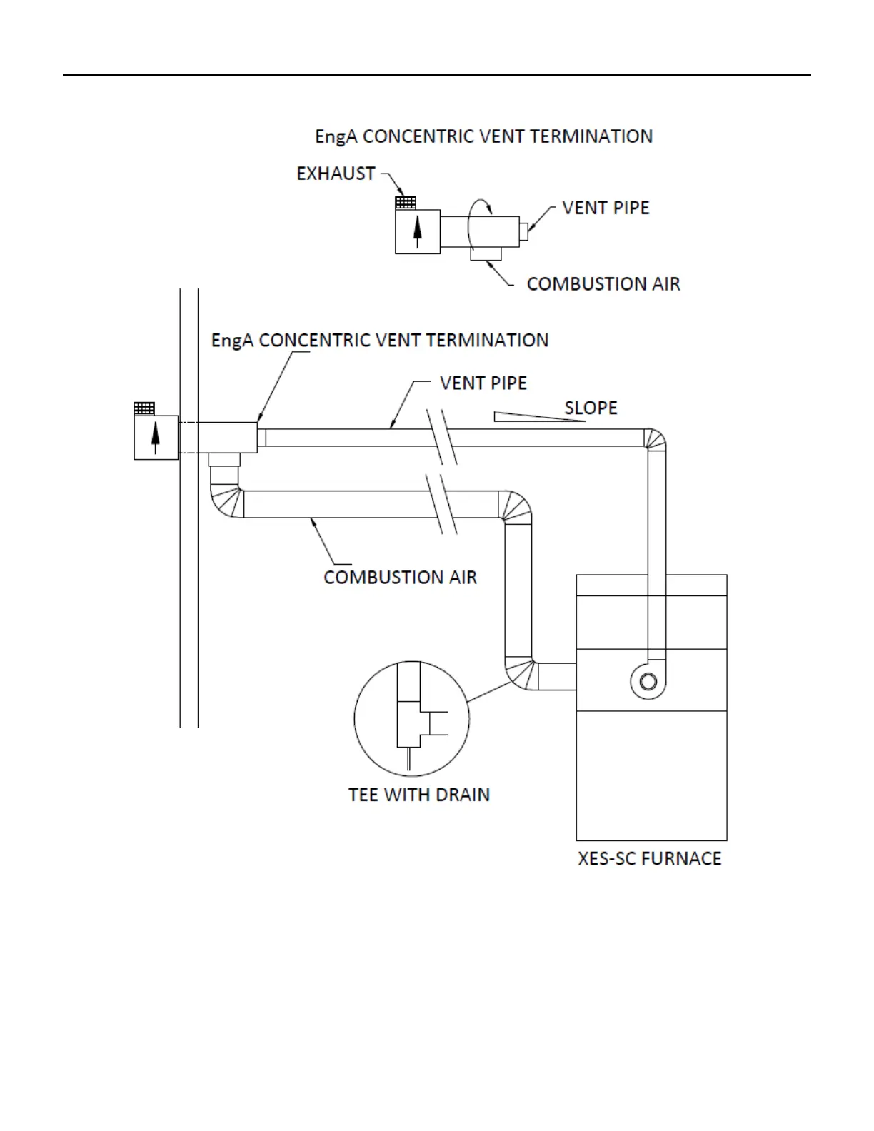
A XES SC MANUAL
IOM-58 15 of 30 June 14 R5

Related product manuals