EasyManua.ls Logo

Engl E530 - Internal Signal Flow Diagram

Engl E530
10 pages
Print Icon
To Next Page IconTo Next Page
To Next Page IconTo Next Page
To Previous Page IconTo Previous Page
To Previous Page IconTo Previous Page
Loading...
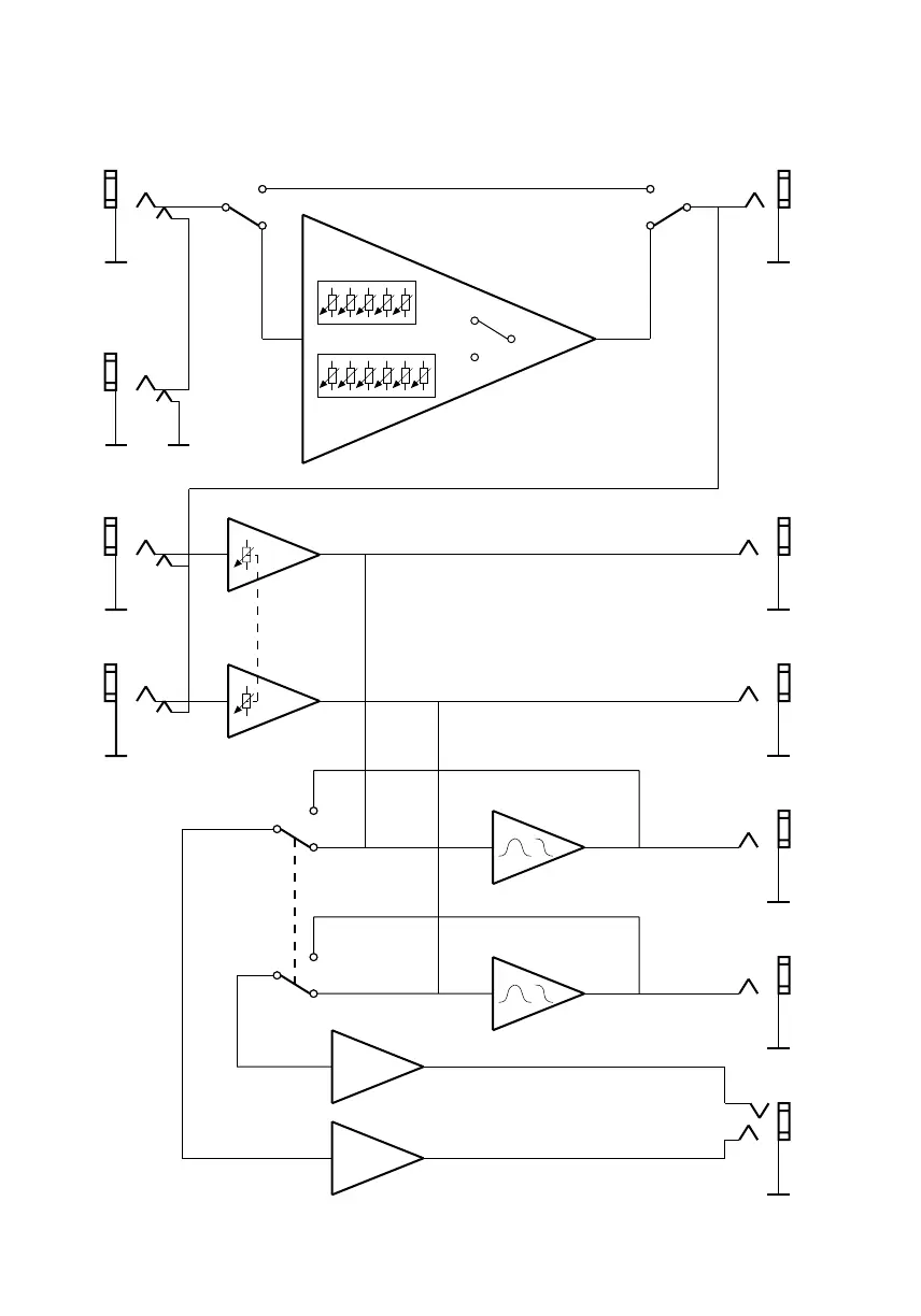
Internal Signal-path:
LINE
LEVEL
RIGHT LINE
PREAMP &
BUFFER
LINE
LEVEL
LEFT LINE
PREAMP &
BUFFER
RIGHT LINE
EQ. & BUFFER
LEFT LINE
EQ. & BUFFER
SOLID STATE
POWER
AMPLIFIER
HEADPHONES
OUTPUT
SIGNAL
SELECTOR
(24)
ROUTED TO
GUITAR CABINET
ROUTED TO
HEADPHONES
OR HIFI CABINET
CLEAN /
LEAD
GAIN, EQ, VOLUME
LEAD
TUBE
PREAMPLIFIER
PREAMP
DEFEAT (17)
AUXILLARY
INPUT (33)
INPUT (1)
CLEAN
PREAMP
DEFEAT (17)
INSTRUMENT
OUTPUT (32)
FX LOOP
RETURN
RIGHT (30)
FX LOOP
RETURN
LEFT (31)
LINE OUTPUT
RIGHT (27)
LINE OUTPUT
LEFT (28)
FREQU. COMP.
LINE OUTPUT
RIGHT (25)
FREQU. COMP.
LINE OUTPUT
LEFT (26)
STEREO
HEADPHONES
(18)

Related product manuals