EasyManua.ls Logo

EQUATION EQ 10 - Page 123

EQUATION EQ 10
Print Icon
To Next Page IconTo Next Page
To Next Page IconTo Next Page
To Previous Page IconTo Previous Page
To Previous Page IconTo Previous Page
Loading...
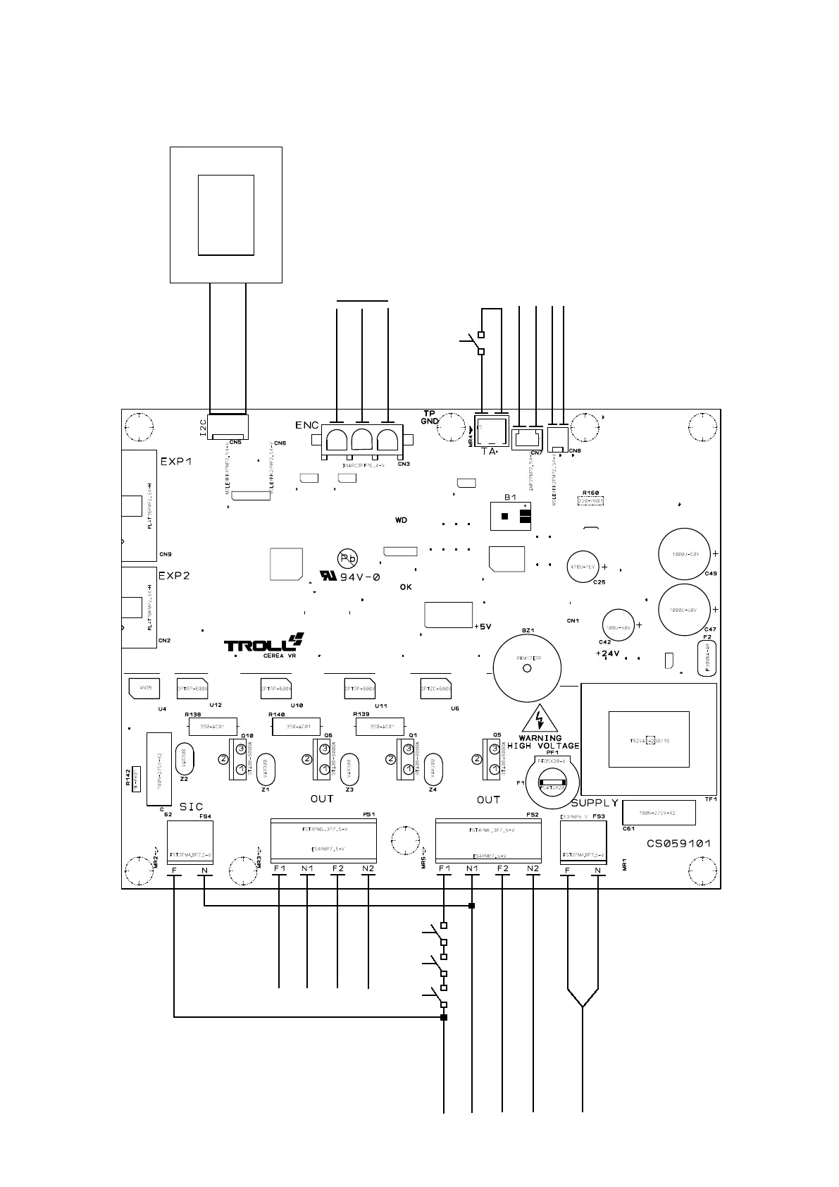
6.0 ELECTRONICAL CIRCUIT
ELECTRONICAL CIRCUIT DISPOSITION
PHASE
SMOKE VACUUM
NEUTRAL
SMOKE VACUUM
PHASE
AIR OUTLET
NEUTRAL
AIR OUTLET
THERMOSTAT
MANUAL REARMAMENT
THERMOSTAT
120ºC
PRESSURE SWITCH
PHASE ENGINE
FEEDER
NEUTRAL ENGINE
FEEDER
PHASE
RESISTANCE LIGHTER
NEUTRAL
RESISTANCE LIGHTER
PHASE
NEUTRAL
POWER
AC0602
SF0592AA0D
GND
TAC
+ 5V
SMOKE VACUUM
THERMOELECTRIC DEVICE
+
-
NTC ENVIRONMENT
ENVIRONMENT THERMOSTAT
123

Table of Contents

Related product manuals