EasyManua.ls Logo

EQUATION EQ 10 - Page 92

EQUATION EQ 10
Print Icon
To Next Page IconTo Next Page
To Next Page IconTo Next Page
To Previous Page IconTo Previous Page
To Previous Page IconTo Previous Page
Loading...
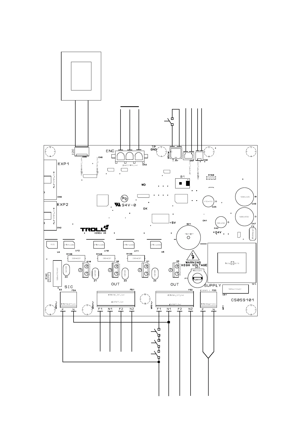
6.0 CENTRALINA ELETTRONICA
LAY-OUT CENTRALINA
FASE
ASP. FUMI
NEUTRO
ASP. FUMI
FASE
USCITA ARIA
NEUTRO
USCITA ARIA
TERMOSTATO
RIARMO MANUALE
TERMOSTATO
120ºC
PRESS
OSTATO
FASE MOTORE
ALIMENTATORE
NEUTRO MOTORE
ALIMENTATORE
FASE
RESISTENZA ACCENDISIGARI
NEUTRO
RESISTENZA ACCENDISIGARI
FASE
NEUTRO
POTENZA
AC0602
SF0592AA0D
GND
TAC
+ 5V
ASPIRAZIONE FUMI
TERMOCOPPIA
+
-
NTC AMBIENTE
TERMOSTATO AMBIENTE
92

Table of Contents

Related product manuals