EasyManua.ls Logo

ERS ECH Series - Page 90

ERS ECH Series
Print Icon
To Next Page IconTo Next Page
To Next Page IconTo Next Page
To Previous Page IconTo Previous Page
To Previous Page IconTo Previous Page
Loading...
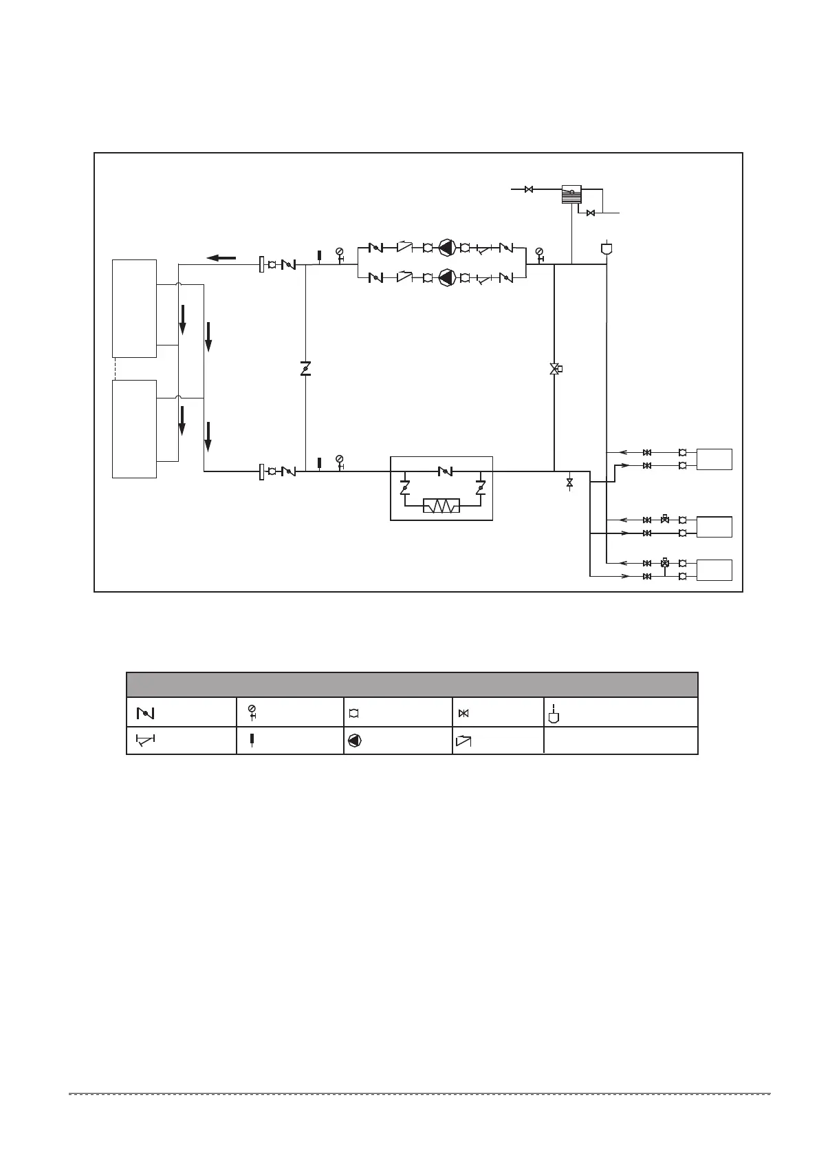
8.7.2 Connection drawing of pipeline
Stop valve Pressure gauge Gate valve
Flexible joint
Y-shaped filter Thermometer Circulating pump Check valve
Automatic discharge valve
Symbol explanation
Fig.8-23 connection drawing of pipeline system
Main unit
Expansion tank
Water replenishing
Dirt discharge valve
Differential pressure by-pass valve
Drain valve
Two-way valve
Three-way valve
Terminal
Auxiliary electric heater
unit
unit
Y-type filter,
requiring≥ 16 mesh
This is the water system of standard module, which pump is not provided.
35
V.2