EasyManua.ls Logo

ESA DC - Wiring Diagram

ESA DC
17 pages
Print Icon
To Next Page IconTo Next Page
To Next Page IconTo Next Page
To Previous Page IconTo Previous Page
To Previous Page IconTo Previous Page
Loading...
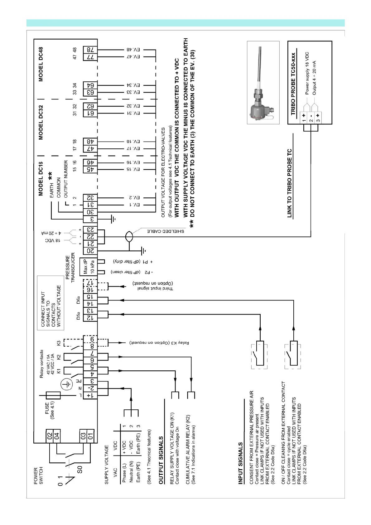
9.1 WIRING DIAGRAM