EasyManua.ls Logo

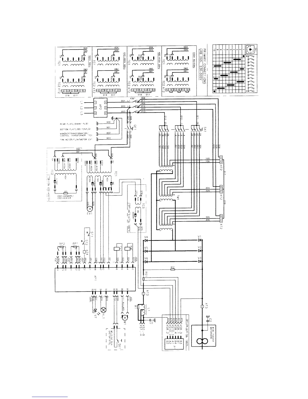
ESAB LKB 265 - LKB 265 (230-500 V) Primary Connections Diagram

ESAB LKB 265
18 pages
Print Icon
To Next Page IconTo Next Page
To Next Page IconTo Next Page
To Previous Page IconTo Previous Page
To Previous Page IconTo Previous Page
Loading...
Schema Skema Skjema Johdotuskaavio Diagram Schaltplan Schéma
Schema Esquema Schema Esquema Ó÷Þìá óýíäåóçò
LKB 265 (230--500V)
-- 9 9 --bc14e12a

Other manuals for ESAB LKB 265

Related product manuals