EasyManua.ls Logo

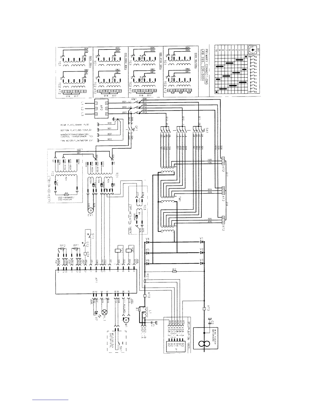
ESAB LKB 320 - LKB 265 (230-500 V) Circuit Diagram

ESAB LKB 320
18 pages
Print Icon
To Next Page IconTo Next Page
To Next Page IconTo Next Page
To Previous Page IconTo Previous Page
To Previous Page IconTo Previous Page
Loading...
Schema Skema Skjema Johdotuskaavio Diagram Schaltplan Schéma
Schema Esquema Schema Esquema Ó÷Þìá óýíäåóçò
LKB 265 (230--500V)
-- 9 9 --bc14e12a

Related product manuals