EasyManua.ls Logo

Esqual VM-1C - Electrical System Maintenance

Esqual VM-1C
52 pages
Print Icon
To Next Page IconTo Next Page
To Next Page IconTo Next Page
To Previous Page IconTo Previous Page
To Previous Page IconTo Previous Page
Loading...
Arsi AB – Esqual
www.arsi.se
FLIGHT & OPERATION MANUAL ESQUAL VM-1
Page 27of 54
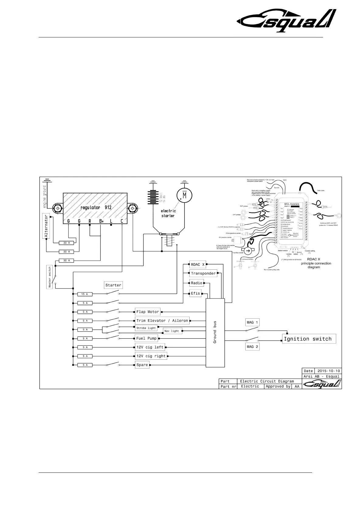
4.7 ELECTRICAL SYSTEM MAINTENANCE
The aeroplane is equipped with a 12v DC electrical system
Full details of the engine’s electrical system can be found in the Rotax Operator’s Manual.
DC Supply
The battery (Sellpower 7800 (7,8 amps)) are located on the left side inside the cowling on
the firewall. Make sure to keep the battery charged and maintained properly.
Only use recommended charger. See battery manufacturers’ maintenance manual
An analogue or electronic voltmeter mounted on the instrument panel monitors the battery
voltage. Normal readings lie in the range 12 to 14.4 volts.
(This circuit diagram can vary, depending on avionics/equipment)