EasyManua.ls Logo

Estella 236ECEM1 - 236 ECEM3 Electrical Schematic

Estella 236ECEM1
15 pages
Print Icon
To Next Page IconTo Next Page
To Next Page IconTo Next Page
To Previous Page IconTo Previous Page
To Previous Page IconTo Previous Page
Loading...
11
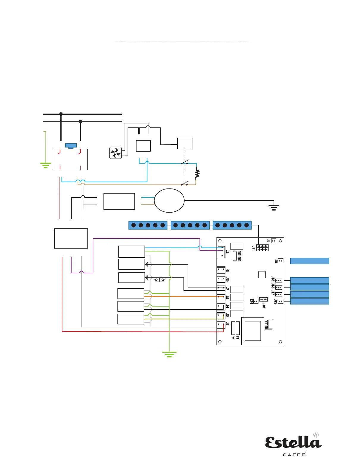
WIRING DIAGRAM
To SSR
Terminal 3
To SSR
Terminal 4
WIRING DIAGRAM
236ECEM3
2
2
2
3
3
3
4
4
4
5 6
1
1
1
220±10% VAC 1Φ 50/60Hz
power
switch
Motor
& pump
connector
connector
group1
Ground
Flowmeter(group1)
Dosing setting
Flowmeter(group2)
Flowmeter(group3)
group2group3
Operation panel
Water level probe
Water inflow
solenoid valve
Group1
solenoid valve
Group2
solenoid valve
Group3
solenoid valve
Ground
Temperature
Protector
(N)
G
L1
L2
L1
L2
heat element
2
3 4
SSR
1
P
pressure switch
Fan
J19
J9
H2
236ECEM3

Other manuals for Estella 236ECEM1

Related product manuals