EasyManua.ls Logo

ETERNITY 16 - Wiring Diagram

ETERNITY 16
28 pages
Print Icon
To Next Page IconTo Next Page
To Next Page IconTo Next Page
To Previous Page IconTo Previous Page
To Previous Page IconTo Previous Page
Loading...
25
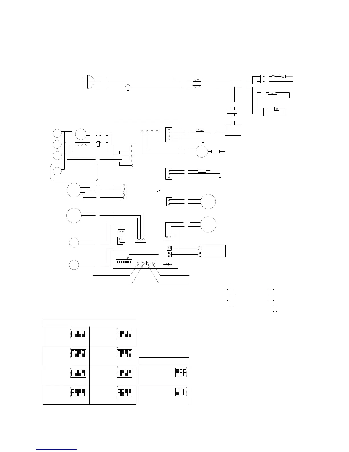
WIRING DIAGRAM
NOTE:
Only change black color switches.
Don't touch the other switches.
IG
Elect rod
W
Y
B
L
O
R
F
M
Remote
Controller
654321
Flow
Adjust
ment
Valve
347
7
OFF
P
P
78
Inlet
thermistor
Mixing
thermistor
Burning LED
Gas
Propor-
tional
Valve
Flame rod
Ground
Air-fuel ratio rod
Flow
Sensor
3
9
5
3
7
3
MV
SV3
SV2
SV1
LB
G
O
R
O.H.C.F
Hi-
limit
switch
BL
BLBL
BL
BL
Only
BL
BLPK
PK
C
1
8
1
7
1
0
+
65
64
+85-
R
W
BK
BK
BK
BK
BK
BK
R
R
W
Y
G
O
Trans-
former
BK
W
Increase button
Decrease button MAX button
MIN button
Dipswitches
Ground
BK
W
Fuse
5A
PCB
Model 26
Model 24
Heater
Thermostat
Heater
W
W
BK
BK
BK
W
W
W
240 VAC
Ground
BR
BL
Y&G
BK
W
BK
W
BK
W
BK
W
MAIN PCB
GS00W-AU
W WHITE
R
RED
BK
BLACK
P
PURPLE
LB
LIGHT
BLUE
BL
BLUE
G
GREEN
Y
YELLOW
O
ORANGE
BR
BROWN
PK
PINK
45
40
55
50
error60
error
DEFAULT
Temperature Settings
OFF
ON
5
6
7
8
5
6
7
8
5
6
7
8
5
6
7
8
OFF
ON
OFF
ON
OFF
ON
5
6
7
8
5
6
7
8
5
6
7
8
OFF
ON
OFF
ON
OFF
ON
5
6
7
8
OFF
ON
70
T
M
P
3
T
M
P
2
T
M
P
1
T
M
P
3
T
M
P
2
T
M
P
1
T
M
P
3
T
M
P
2
T
M
P
1
T
M
P
3
T
M
P
2
T
M
P
1
T
M
P
3
T
M
P
2
T
M
P
1
T
M
P
3
T
M
P
2
T
M
P
1
T
M
P
3
T
M
P
2
T
M
P
1
T
M
P
3
T
M
P
2
T
M
P
1
Gas type
Propane
Natural
Gas
OFF
ON
1
2
3
1
2
3
OFF
ON

Related product manuals