EasyManua.ls Logo

ETQ 186F - Page 46

ETQ 186F
89 pages
Print Icon
To Next Page IconTo Next Page
To Next Page IconTo Next Page
To Previous Page IconTo Previous Page
To Previous Page IconTo Previous Page
Loading...
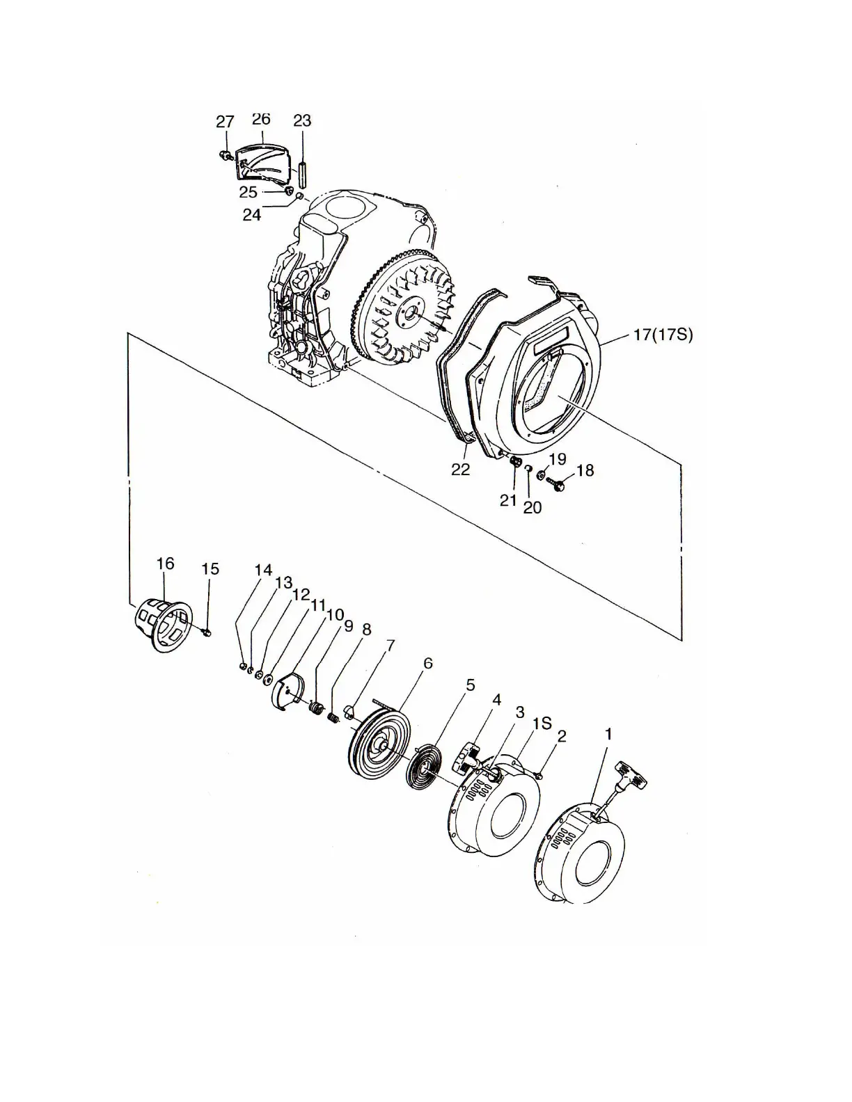
Fig 4-6. Exploded view of cooling and recoil starting system.
46

Table of Contents

Related product manuals