EasyManua.ls Logo

Extel MULTI PRO 3 - Page 4

Extel MULTI PRO 3
Print Icon
To Next Page IconTo Next Page
To Next Page IconTo Next Page
To Previous Page IconTo Previous Page
To Previous Page IconTo Previous Page
Loading...
CFI EXTEL MULTI PRO 3 & CB BUS PRO 3 - 09/2016
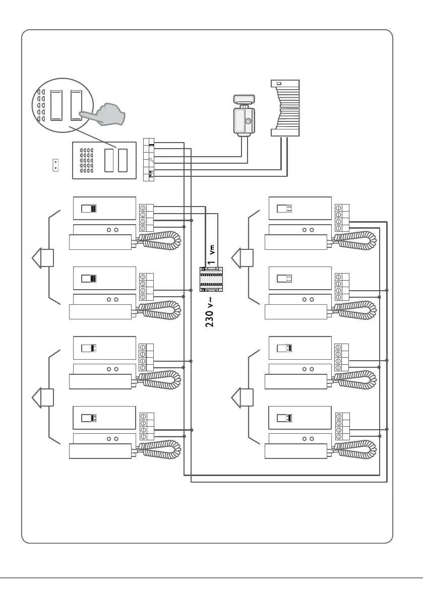
Fig. 6
*
: Option - Opzione - Opcional - Opçao - Optie - Optionen : CB BUS PRO 3
8765 43
JP2
JP1
JP2
JP1
JP2
JP1
JP2
JP1
1
2 1
3 4
4 3 2 1
4 3 2 1
4 3 2 1 4 3 2 1
8
-
+
JP2
JP1
JP2
JP1
JP2
JP1
JP2
JP1
2
4 3 2 1
4 3 2 1
4 3 2 1 4 3 2 1
1
2
JP2
JP1
JP2
JP1
JP2
JP1
JP2
JP1
8
-
+
JP2
JP1
JP2
JP1
JP2
JP1
JP2
JP1
4 3 2 1
4 3 2 1
4 3 2 1
1 2
3 4
JP3
JP3
8765 43
4 3 2 1
4 3 2 1
4 3 2 1 4 3 2 1
4 3 2 1
*
*
*
*
*
*
*
*

Related product manuals