EasyManua.ls Logo

Faber FLEXA FLEX30SS300 - Schéma de Câblage

Faber FLEXA FLEX30SS300
80 pages
Print Icon
To Next Page IconTo Next Page
To Next Page IconTo Next Page
To Previous Page IconTo Previous Page
To Previous Page IconTo Previous Page
Loading...
52
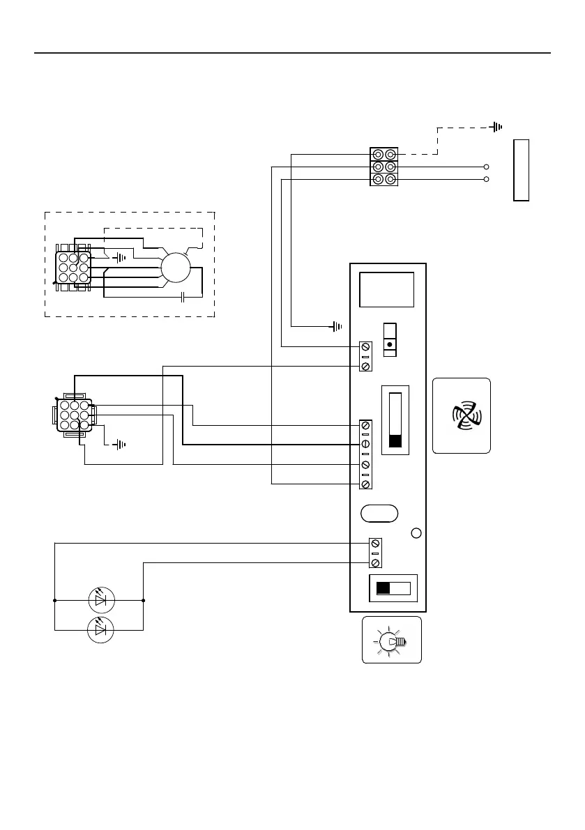
SCHÉMA DE CÂBLAGE
0123456789
H90_974
01
Drawing N : Rev :
Modif. by
These drawings and specifications are the property of Franke Technology and
Trademartk Ltd and shall not be reproduced.copied or trasferred to any third party
without the prior written permission of Franke Tecnology and Trandemark Ltd.
Switzerland.It is strictly prohibited to get quotes from the drawing or bring
modifications without the prior written conset of franke Techology and Trademark
Doc.status
Modification description
Approved date
WIRING DIAGRAM M8_4V SCL E14 UL (FLEXA)
Approved by
Denomination
Doc Type
Creation date
10/06/2021
FABER Corrado
Created by
991.0656.574
Code
SW3
RV
CN3
LB WH A GR
CN2
SW2
123
654
789
BK BR
CN1
SW1
123
654
987
110-127V ˜ 60HZ
0
1
RED
VLT
WHT
BRWBLU
PNK
OFF
GRY
1
BLU
GRY
23
PNK
BRW
BLK
Y-G
BLU
RED
M8 4V
120V ˜
WHT
BRW
BLU
BLK
ORG
Y-G
VLT
VLT
RED
RED
F N
Y-G

Table of Contents

Related product manuals