EasyManua.ls Logo

Factory Cat 29 - Central Command Unit Overview

Factory Cat 29
43 pages
Print Icon
To Next Page IconTo Next Page
To Next Page IconTo Next Page
To Previous Page IconTo Previous Page
To Previous Page IconTo Previous Page
Loading...
PAGE 25
17
7
1
25
5
2
19
13
29 18
4
3
6
28
26
26
24
14
11
9
17
11
23
27
20
12
15
16
8
23
27
10
21
22
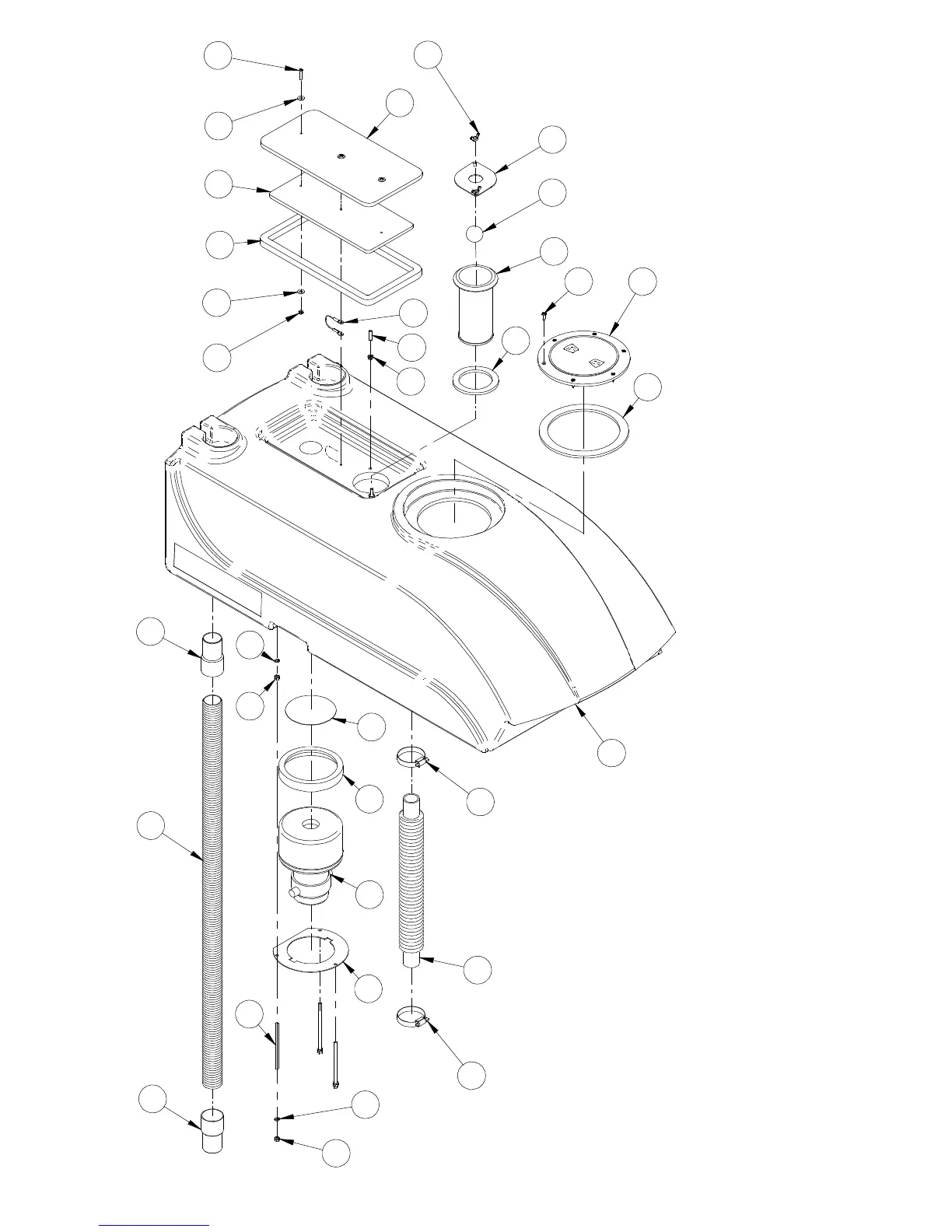
Recovery Tank
Upper Body

Other manuals for Factory Cat 29

Related product manuals