EasyManua.ls Logo

Faema Diplomat E91/A - Page 47

Faema Diplomat E91/A
50 pages
Print Icon
To Next Page IconTo Next Page
To Next Page IconTo Next Page
To Previous Page IconTo Previous Page
To Previous Page IconTo Previous Page
Loading...
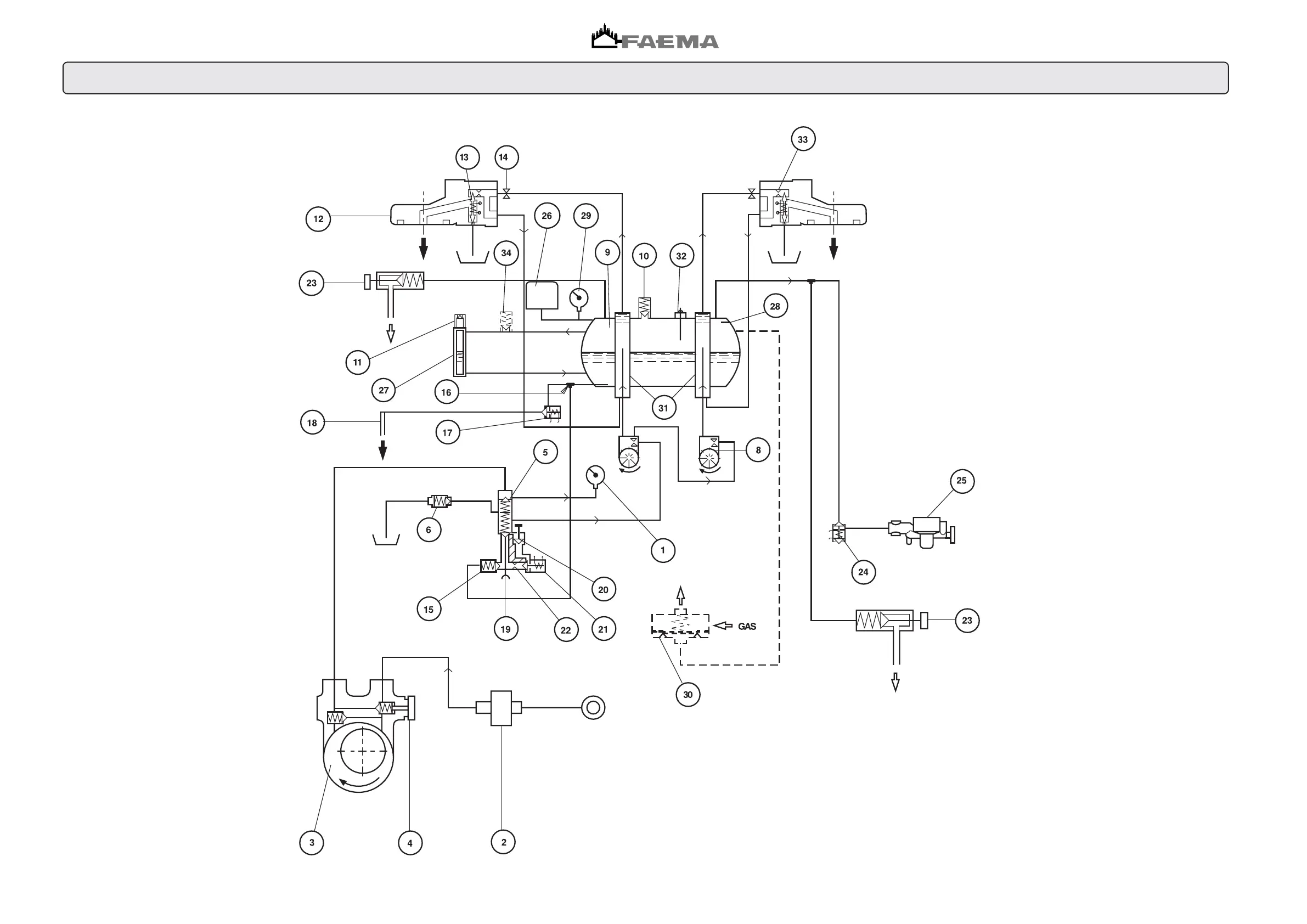
Circuito idraulico - Hydraulic circuit - Circuit hydraulique - Hydraulikplan - Circuito hidraulico - Circuito hidráulico

Related product manuals