EasyManua.ls Logo

FATEK FBs-2DA - Page 28

FATEK FBs-2DA
348 pages
Print Icon
To Next Page IconTo Next Page
To Next Page IconTo Next Page
To Previous Page IconTo Previous Page
To Previous Page IconTo Previous Page
Loading...
H2-1
Analog I/O Expansion Module
Temperature Input Module
Numeric I/O Expansion
7
6
8
9
Chapter 2 System Architecture
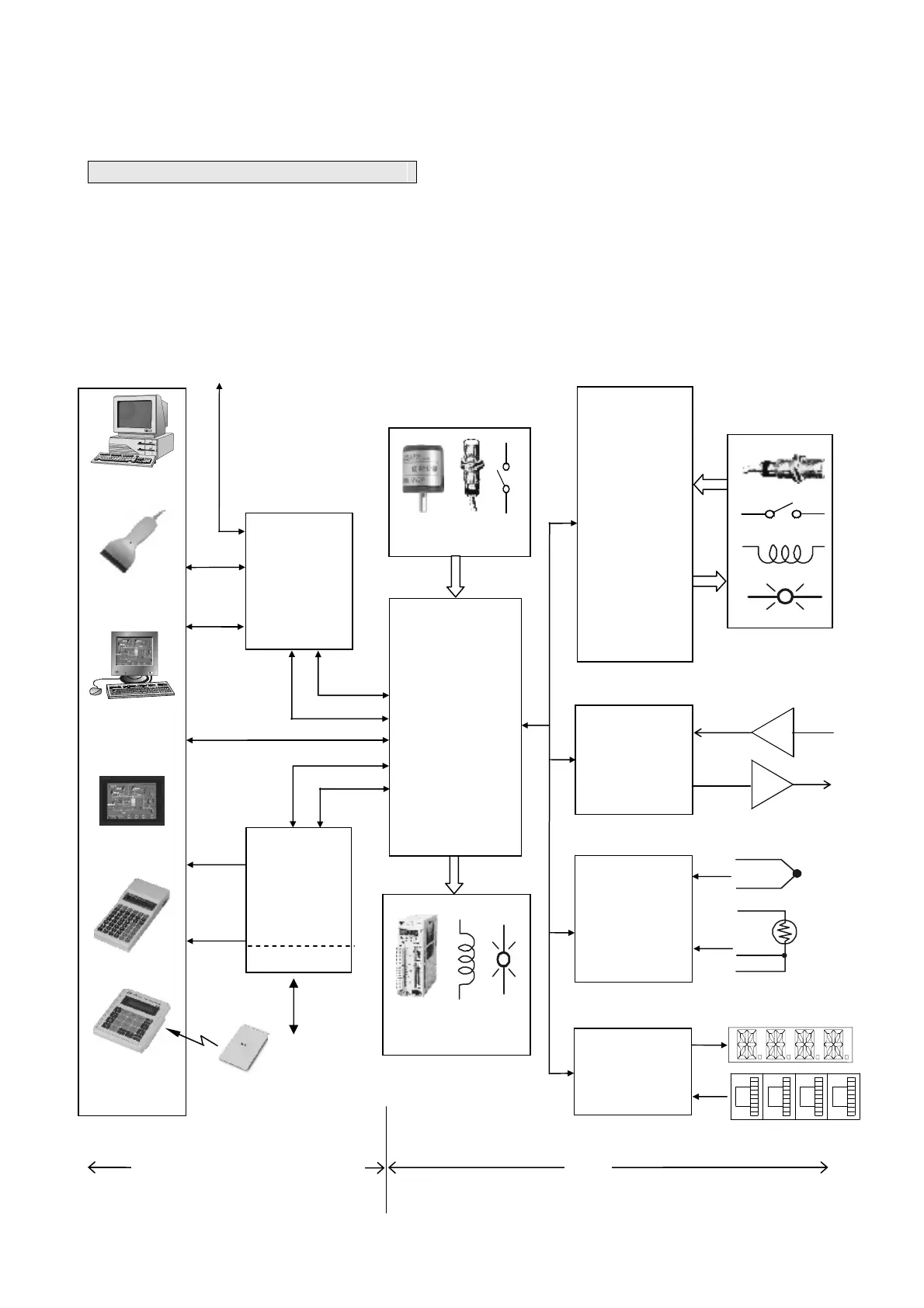
2.1 Single-Unit System of FBS-PLC
The Single-Unit system means a system built only by a single FBs-PLC and its expansion unit/modules and
communication boards/modules. Such system have a limited capability (refer), beyond that capability can incorporate
CPU communication via LINK function for expansions (please refer to the next paragraph). The figure below shows the
block diagram of the Single-Unit system of FBs-PLC, where, besides the available main units , the available
communication peripherals resources and I/O expansion resources are depict on the left and the right respectively.
Port1
Port0
Port2
P
o
r
t3
Port1
Port4
(
Port4
)
USB or
RS232
DO
Intelligent
Peripherals
DI
Digital I/O Expansion Unit/Module
AO
AI
Digital Output (DO)
Communication
Board
Main
Unit
Digital Input (DI)
Communication
Module
Ethernet (suffix “E” Module only)
Port3
Port1
Port2
Port4
Computer
Bar Code
Reader
Diagram Control
Man-Machine
Console
Man-Machine
Interface
FP-07C
FB-DAP(R)
FBs-CM25E
FBs-CM55E
FBs-CM22
FBs-CM55
FBs-CM25
Encoder
FBs-10MA/MC
FBs-14MA/MC
FBs-20MA/MC
FBs-24MA/MC
FBs-32MA/MC
FBs-40MA/MC
FBs-60MA/MC
FBs-20MN
FBs-32MN
FBs-44MN
FBs-24EA(P)
FBs-40EA(P)
FBs-60EA(P)
FBs-8EA
FBs-8EX
FBs-8EY
FBs-16EA
FBs-16EY
FBs-20EX
FBs-24EX
FBs-24EYT
Servo
FBS-TC2
FBs-TC6
FBs-RTD6
FBs-TC16
FBs-RTD16
FBs-6AD
FBs-2DA
FBs-4DA
FBs-4A2D
I/O Peripheral (Communication)
Resources
TC
RTD
RFID
Card
FBs-7SG1
FBs-7SG2
FBs-32DGI
Ethernet
FBs-CB2
FBs-CB22
FBs-CB5
FBs-CB55
FBs-CB25
FB
S-CBE

Other manuals for FATEK FBs-2DA

Related product manuals