EasyManua.ls Logo

Feider Machines FTDTR4240 - ASSEMBLY; Handle and Height Adjustment

Feider Machines FTDTR4240
26 pages
Print Icon
To Next Page IconTo Next Page
To Next Page IconTo Next Page
To Previous Page IconTo Previous Page
To Previous Page IconTo Previous Page
Loading...
ORIGINAL INSTRUCTIONS
10
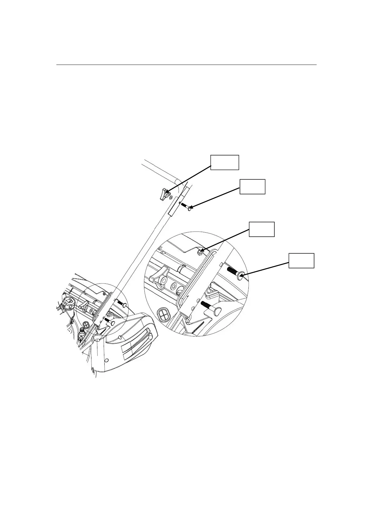
3. ASSEMBLY
Handle Setup and Height Adjustment
Screw the lower bar to the tool with the two nuts and Bolts and with 2 knobs and bolts (in the
adjustment height location)
Screw the upper bar on the lower bar with the four knobs and bolts.
Put the recoil starter on the right of the handle and fix the cable with the plastic collar.
Introduce the rope of the recoil starter handle on its support guide rope.
If you want to adjust height of the handle bar, you can choose” L or “H” two holes in left-right
Bracket to fix the handle bar with screws and knobs.
The “H” hole is high position of the handle bar, and the “L hole is low position of the handle bar.
Knob
Bolt
Nut
Bolt

Related product manuals