EasyManua.ls Logo

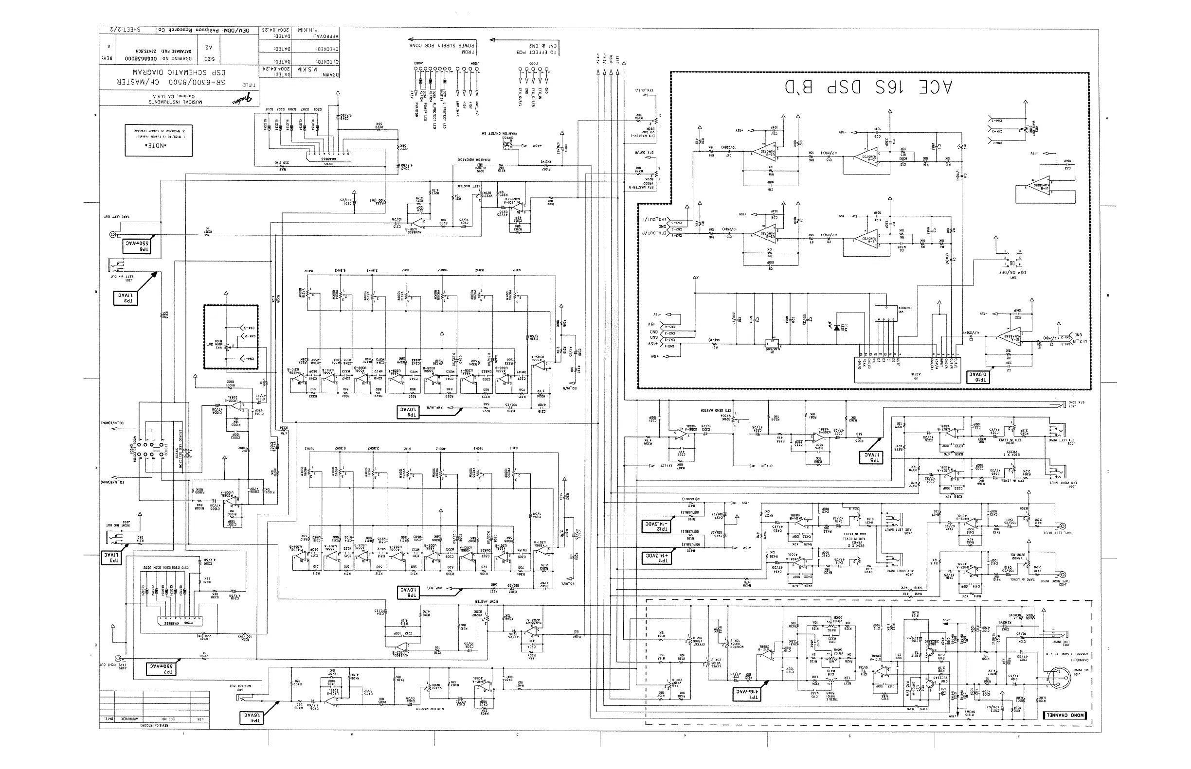
Fender SR6300 - SR8500 Power Amplifier Assembly PCB

Fender SR6300
15 pages
Print Icon
To Next Page IconTo Next Page
To Next Page IconTo Next Page
To Previous Page IconTo Previous Page
To Previous Page IconTo Previous Page
Loading...

Related product manuals