EasyManua.ls Logo

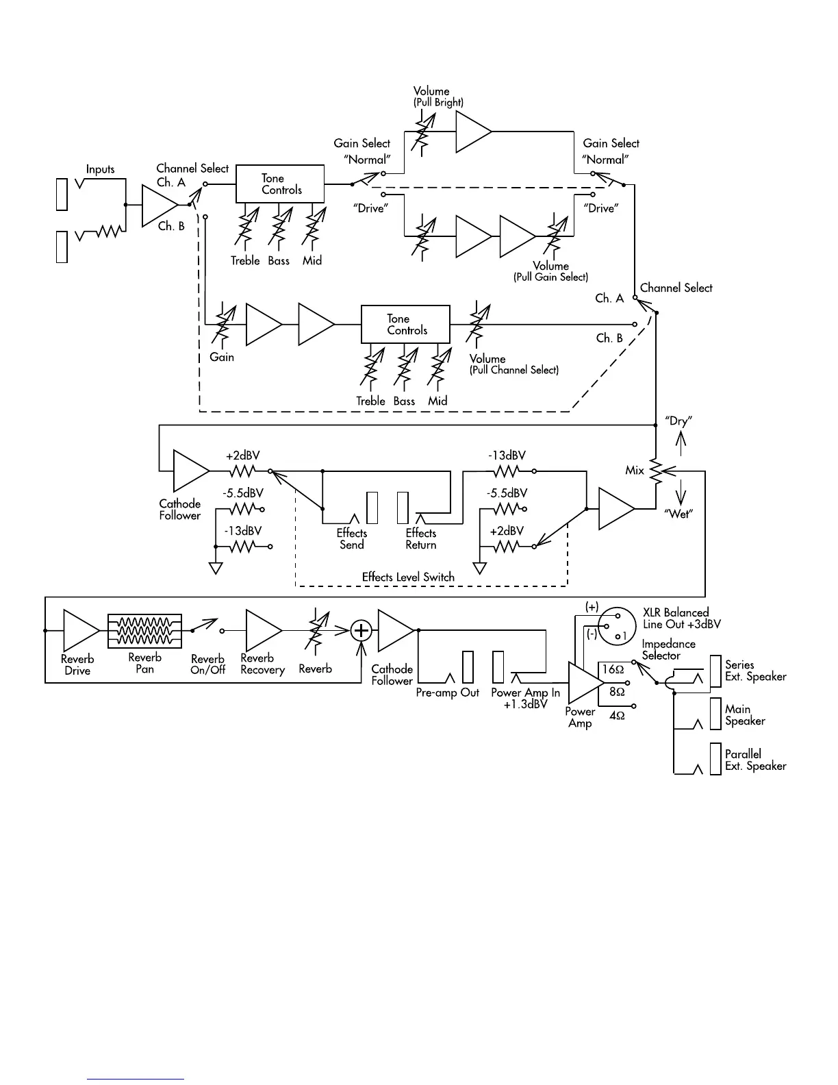
Fender Twin Amplifier - Twin Block Diagram

Fender Twin Amplifier
8 pages
Print Icon
To Next Page IconTo Next Page
To Next Page IconTo Next Page
To Previous Page IconTo Previous Page
To Previous Page IconTo Previous Page
Loading...
Twin Block Diagram
1
2
Gain
3
2

Related product manuals