EasyManua.ls Logo

Fermax AUDIO 4+n KIT Series - Wiring Diagram

Fermax AUDIO 4+n KIT Series
13 pages
Print Icon
To Next Page IconTo Next Page
To Next Page IconTo Next Page
To Previous Page IconTo Previous Page
To Previous Page IconTo Previous Page
Loading...
Pag 6
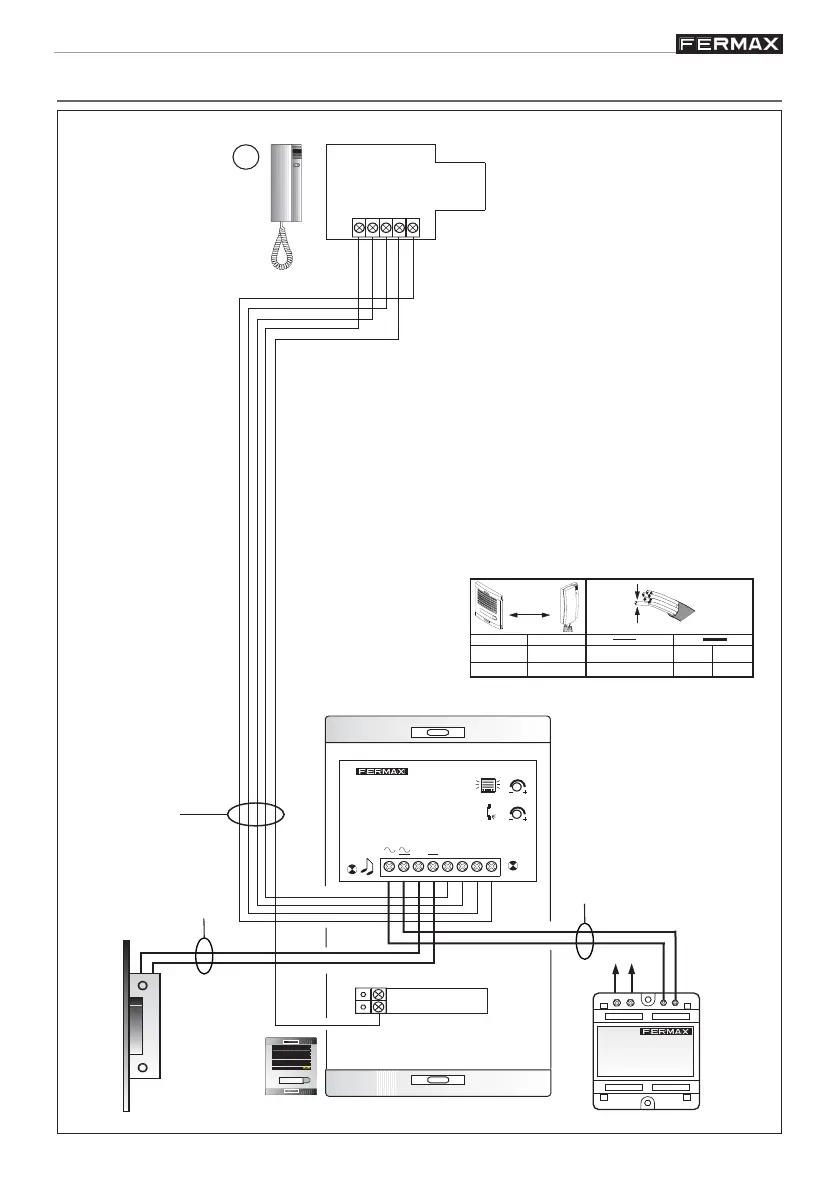
KIT
AUDIO 4+n
AUDIO 4+n
ESQUEMA DE CABLEADO - WIRING DIAGRAM - SCHEMA DE CABLAGE
VERKABELUNGSSCHEMA - ESQUEMA DE INSTALACÃO
INT.
EXT.
6
3214
4 + 1
2
2
1
Vac
6321
AbAb
1
- KIT 1 L
12 Vac
12 Vac
S
0 - 300
300 - 500
mm
mm1
0,5
2
2
mm
mm1
1
2
2
D
20 AWG
17 AWG
17 AWG
17 AWG
900 - 1500
0 - 900
metros/metres pies/feet

Related product manuals