EasyManua.ls Logo

Fermax Minicentral MDS Digital - Page 41

Fermax Minicentral MDS Digital
Print Icon
To Next Page IconTo Next Page
To Next Page IconTo Next Page
To Previous Page IconTo Previous Page
To Previous Page IconTo Previous Page
Loading...
Minicentral MDS Digital
Minicentral MDS Digital
Page 10
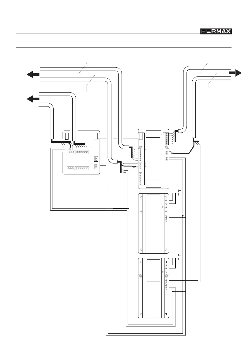
Installation du portier vidéo MDS-Digital.
INSTALLATION. Schémas de base
85 - 270 Vac
CAMBIADOR 2 PLACAS MDS
DÉCODEURS
Réf.5919
PLATINE 2
PLATINES DE RUE
PLATINE 1
Réf.5919
M
UNIDAD CENTRAL MDS
MDS CENTRAL UNIT
SB
PANEL 0
+
SA
-
2 6 CT V
FXL
A B G BA G
DECODERS
6 D22
+
D1
-
REF. 2405
MV
+
12Vdc
-
POWER SUPPLY
ALIMENTADOR VIDEO
POWER SUPPLY
PRIM.
REF. 88403
12V
++- -
85 - 270 Vac
REF. 88303
PRIM.
+
18V
++---
OUT
IN
SASA
SB
CT
M
V
6
2
M
CT
V
SB
6
2
+
1
-
+
- + -
2
-
+
REF. 88403
REF. 88303

Related product manuals