EasyManua.ls Logo

Fermax Minicentral MDS Digital - Page 9

Fermax Minicentral MDS Digital
Print Icon
To Next Page IconTo Next Page
To Next Page IconTo Next Page
To Previous Page IconTo Previous Page
To Previous Page IconTo Previous Page
Loading...
Pag 10
Minicentral MDS Digital
Minicentral MDS Digital
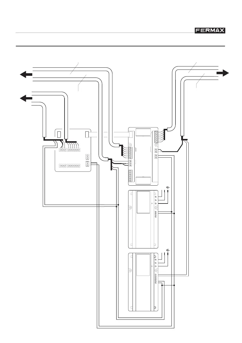
Instalación Videoportero MDS-Digital.
INSTALACION. Diagramas Básicos
85 - 270 Vac
CAMBIADOR 2 PLACAS MDS
DECODERS
Ref.5919
PLACA 2
PLACAS DE CALLE
PLACA 1
Ref.5919
M
UNIDAD CENTRAL MDS
MDS CENTRAL UNIT
SB
PANEL 0
+
SA
-
2 6 CT V
FXL
A B G BA G
DECODERS
6 D22
+
D1
-
REF. 2405
MV
+
12Vdc
-
POWER SUPPLY
ALIMENTADOR VIDEO
POWER SUPPLY
PRIM.
REF. 88403
12V
++- -
85 - 270 Vac
REF. 88303
PRIM.
+
18V
++---
OUT
IN
SASA
SB
CT
M
V
6
2
M
CT
V
SB
6
2
+
1
-
+
- + -
2
-
+
REF. 88403
REF. 88303

Related product manuals