EasyManua.ls Logo

FFC LAF5424 - Chassis Assembly

Default Icon
39 pages
Print Icon
To Next Page IconTo Next Page
To Next Page IconTo Next Page
To Previous Page IconTo Previous Page
To Previous Page IconTo Previous Page
Loading...
MR25664
22
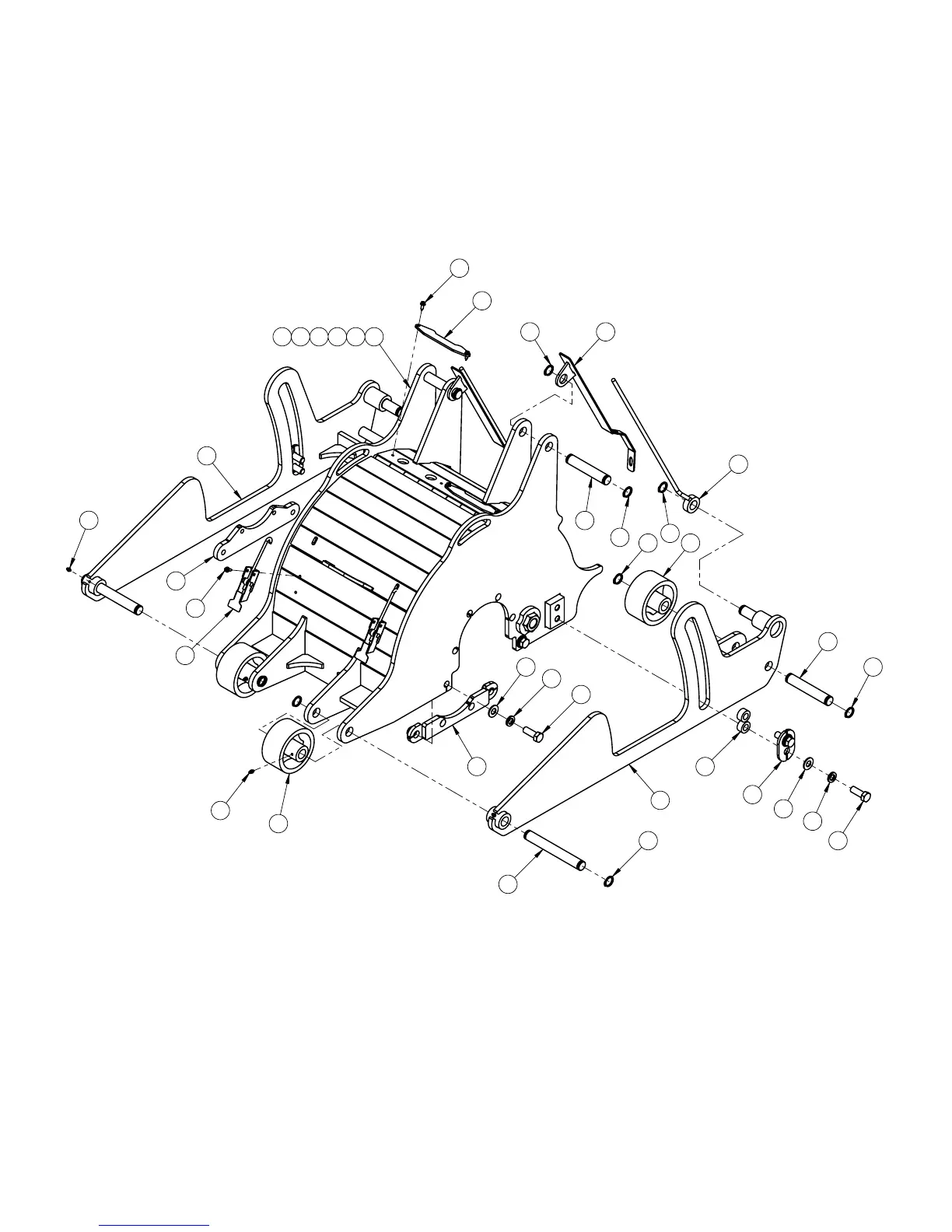
CHASSIS ASSEMBLY
13
1
1
3
26
2
23
22
24
14
15
25
4
25
20
19
24
22
23
12
325
25 16
17
25
25
5
18
26
21
67891011

Other manuals for FFC LAF5424

Related product manuals