EasyManua.ls Logo

Fiat 124 Spider - Page 74

Fiat 124 Spider
91 pages
Print Icon
To Next Page IconTo Next Page
To Next Page IconTo Next Page
To Previous Page IconTo Previous Page
To Previous Page IconTo Previous Page
Loading...
FIAT 124 Spider
Engine Maintenance + Modification
74
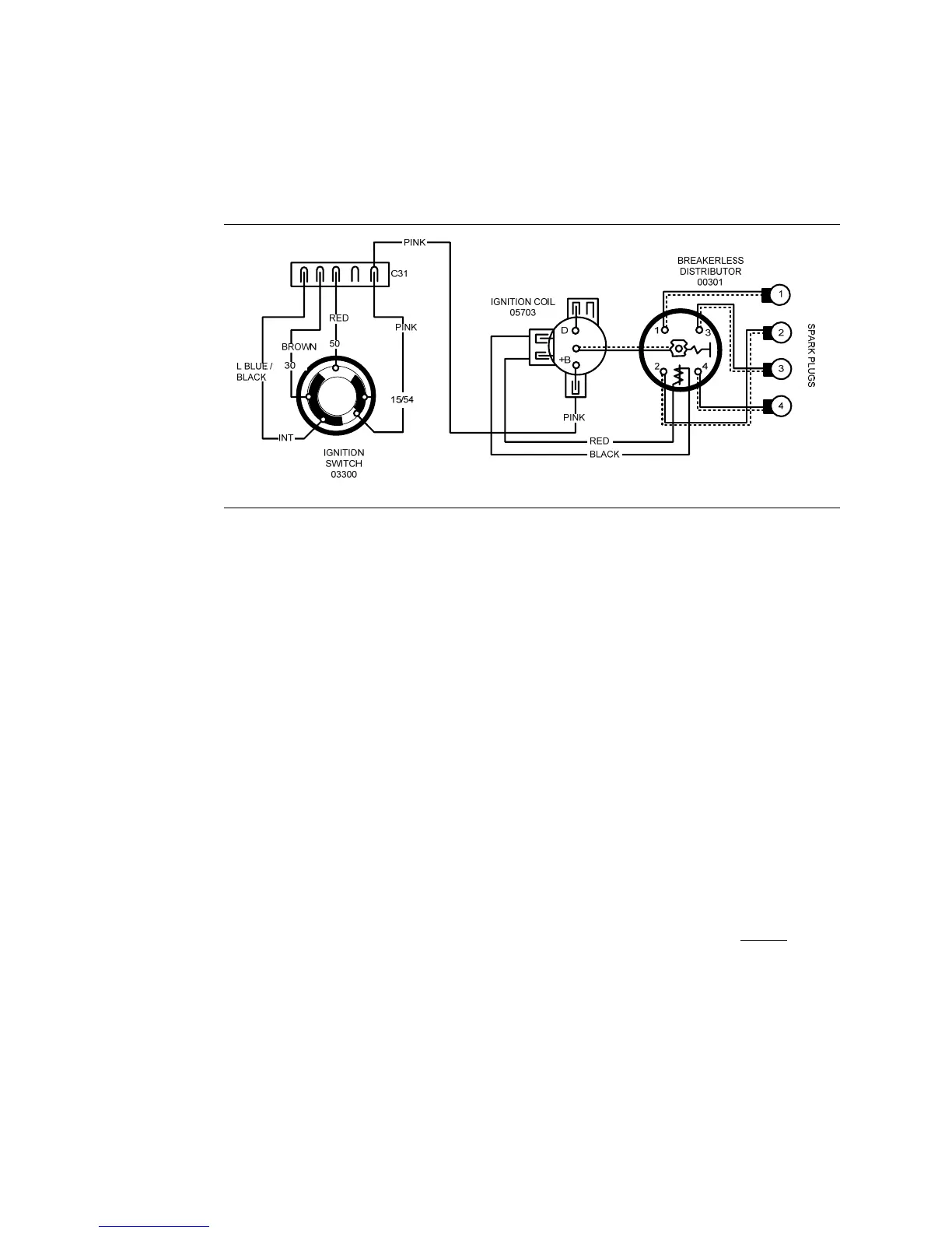
Figure 46: Ignition Electrical Diagram for the 1979-1985 Spider
9.6 Diagnostics and Troubleshooting
9.6.1 Electronic Ignition Failures
Vacuum Capsule
The failure of this capsule causes poor acceleration. With the engine running you should
see the shaft between the dashpot (the barrel on the distributor body) and the distributor
pulse. If someone presses the accelerator pedal you will see the shaft pull the shaft
back towards the hose. If not then consider that air pulled through the hose (away from
the dashpot) will move the shaft if the unit is operating properly. This is not to suggest
you suck on the air hose – if you do and the diaphragm is broken then you will suck in
the paper and other dirt from the busted diaphragm.
Note that some FIAT owners suggest that their car works fine with this unit
disconnected or inoperable and the distributor manually advanced; you cannot
set up
your vehicle properly with this unit inoperable. It is far more likely that these owners
have forgotten what the car is like with the advance mechanism working properly!
Ignition Pickup
The pickup wires can become hard and brittle over time. Wires may also ground on the
distributor body. Both situations typically cause poor running and the tachometer may

Related product manuals