EasyManua.ls Logo

Fiat FSC-30 - Water Inlet; Steamhead Installation

Fiat FSC-30
9 pages
Print Icon
To Next Page IconTo Next Page
To Next Page IconTo Next Page
To Previous Page IconTo Previous Page
To Previous Page IconTo Previous Page
Loading...
DOC NO. 81009 4 OF 9 Rev A 10/03
Water Inlet
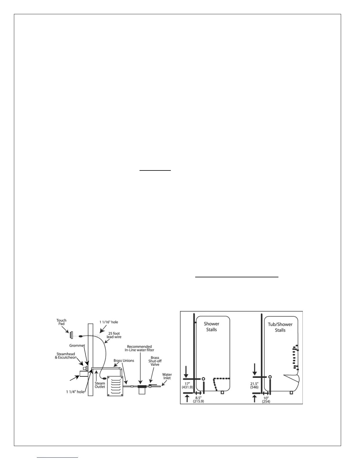
Refer to figure 2 for the following:
1. Connect tee to the hot or cold water line. Install copper pipe to the tee. If an in-line filter were to be
installed on the water line to the generator, (which is suggested), it would be preferable to install the
tee on the cold water line.
2. Install a brass shut-off valve on the water inlet line in an accessible area prior to the brass union and
recommended in-line water filter.
3. Before making the last connection to the 3/8” water inlet line coming to the unit, flush the water line
into a five-gallon pail to remove ant silt or other materials that maybe in the line.
4. Make the final connection and turn on water. All Fiat generators are equipped with an automatic water
fill system. The water will stop after unit is filled.
IMPORTANT: MAXIMUM WATER PRESSURE IS 70 P.S.I.
Steamhead Installation
1. Drill a 1-1/4” diameter hole in the shower stall wall (8.5” in from the face of the unit and 17” from the
floor) or Tub/Stall wall (10” from the face of unit and 21.5” from the floor) for the steam outlet line.
CAUTION: The steamhead is hot! And should not be located near a seat or bench!
2. Install the black rubber grommet (provided) into the 1-1/4” hole for the steam outlet. Connect ½” F.I.P.
copper pipe or copper tubing and ½” brass union onto the steam outlet. Run a ½” copper pipe from the
union to the 1-1/4” hole in wall. Install a ½” M.I.P. on the end of the ½” pipe for the steamhead.
3. Attach the steamhead and escutcheon to the copper pipe. CAUTION: Do not obstruct the steam line
with any shut-off valves, plugs or caps. ALL generators are designed to build NO PRESSURE.
The steam line can run up, down, or horizontal; but cannot run down and then up. If it
does, a steam trap will be produced at the low point blocking the flow of steam. Insulate the
steam outlet piping if the piping run exceeds 10 feet or is exposed to cold areas. NOTE: Use
steam rated insulation.
Figure 2 Figure 2a
Drip Box