EasyManua.ls Logo

Fike FAV - Page 14

Fike FAV
24 pages
Print Icon
To Next Page IconTo Next Page
To Next Page IconTo Next Page
To Previous Page IconTo Previous Page
To Previous Page IconTo Previous Page
Loading...
Doc. 8.8503.00.9
Rev. April, 2018
PAGE / 12
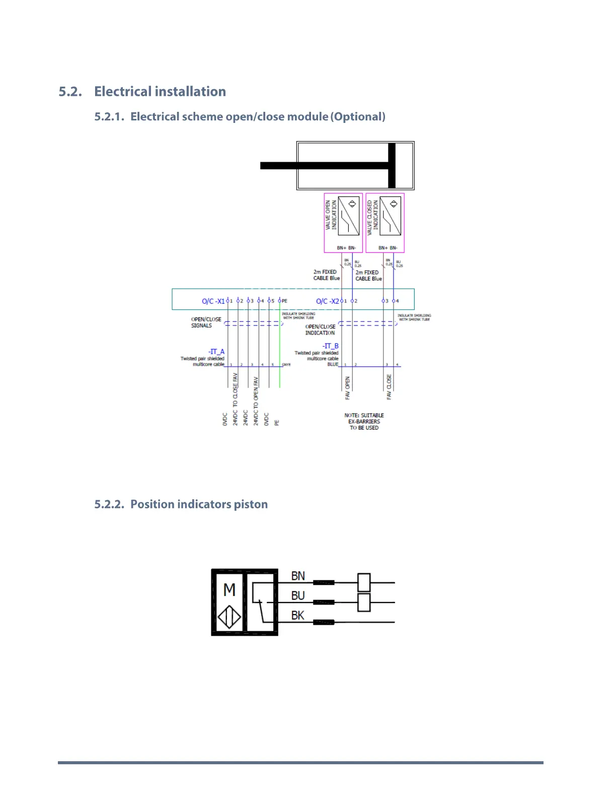
Figure 7 - Electrical scheme open/close module
The magnetic switches detect the opening and close position of the magnetic ring which is connected on the piston.
Hereby, the system (PLC) can check if the valve is open or close.
Figure 8 - Position indicator piston