EasyManua.ls Logo

filtreau COMBI PF20 - Page 5

filtreau COMBI PF20
28 pages
Print Icon
To Next Page IconTo Next Page
To Next Page IconTo Next Page
To Previous Page IconTo Previous Page
To Previous Page IconTo Previous Page
Loading...
5
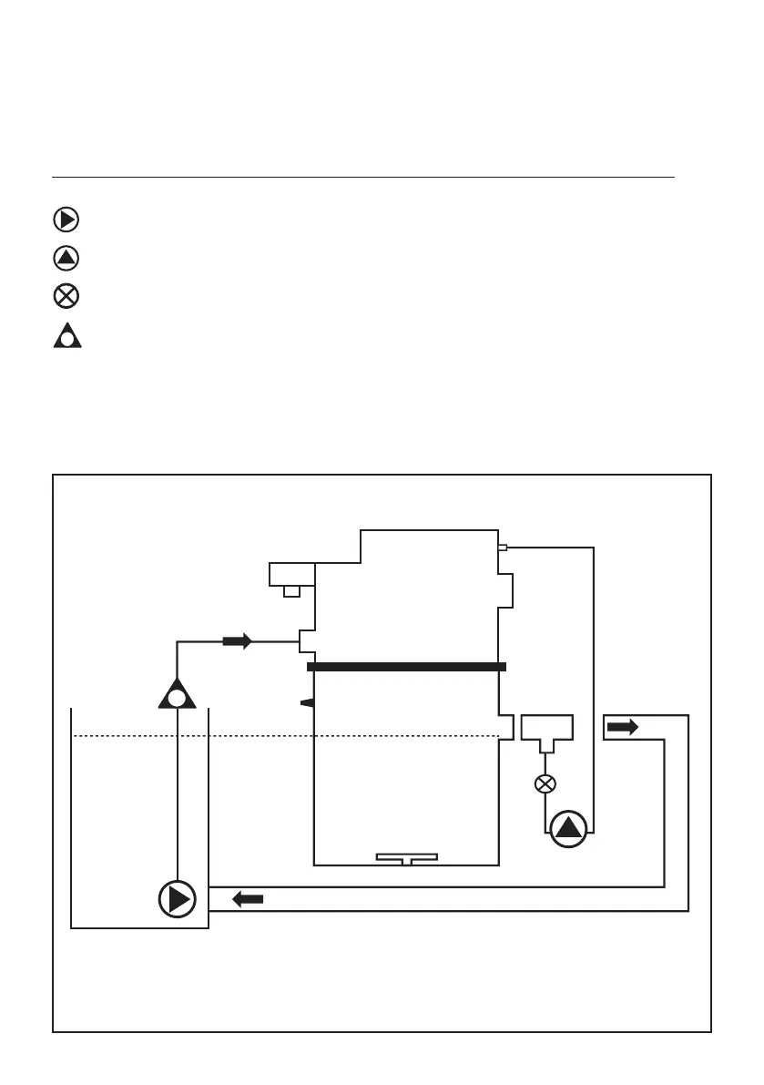
ATTENTION:
Install the high-pressure pump in an anhydros location.
Do not install it directly on the lteroor!
Pond pump
High-pressure pump
Ball valve
Check valve
FLOWCHART
Max. Waterlevel
Pump Fed
IN
OUT
POND

Related product manuals