EasyManua.ls Logo

Fimar MCD/950CS - Page 158

Fimar MCD/950CS
Print Icon
To Next Page IconTo Next Page
To Next Page IconTo Next Page
To Previous Page IconTo Previous Page
To Previous Page IconTo Previous Page
Loading...
IDM-34606201000.pdf
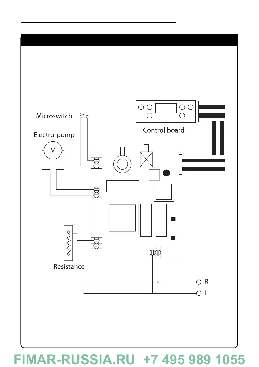
SCHEMA ELETTRICO
ELECTRIC DIAGRAM
MSD/300P - MSD/300
FIMAR-RUSSIA.RU +7 495 989 1055

Table of Contents

Related product manuals