EasyManua.ls Logo

Fimar MCD/950CS - Page 160

Fimar MCD/950CS
Print Icon
To Next Page IconTo Next Page
To Next Page IconTo Next Page
To Previous Page IconTo Previous Page
To Previous Page IconTo Previous Page
Loading...
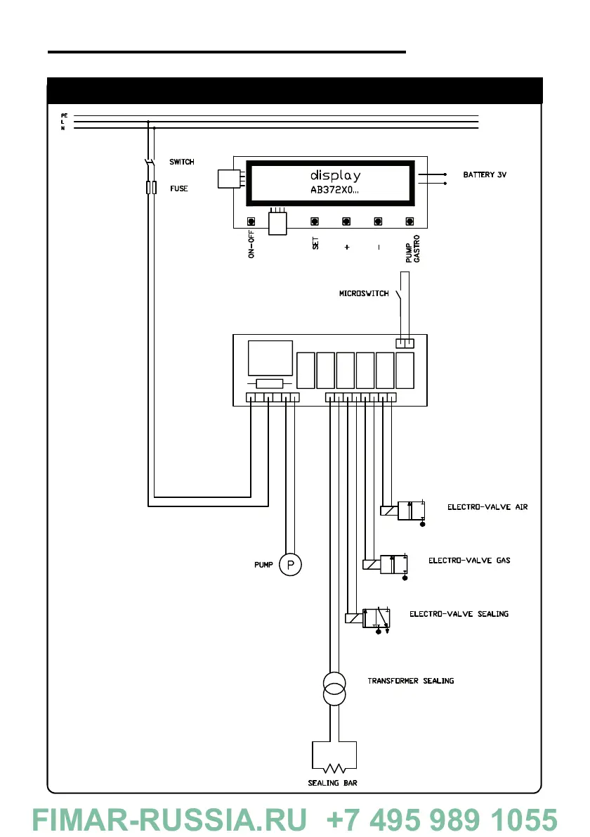
SCHEMA ELETTRICO
ELECTRIC DIAGRAM
MCD/320 - MCD/420 - MCD/520
IDM-34606201201.pdf
FIMAR-RUSSIA.RU +7 495 989 1055

Table of Contents

Related product manuals