EasyManua.ls Logo

Fire-Lite MS-4012 - Page 14

Fire-Lite MS-4012
31 pages
Print Icon
To Next Page IconTo Next Page
To Next Page IconTo Next Page
To Previous Page IconTo Previous Page
To Previous Page IconTo Previous Page
Loading...
14 15586 Rev E 5/14/93 P/N 15586:E
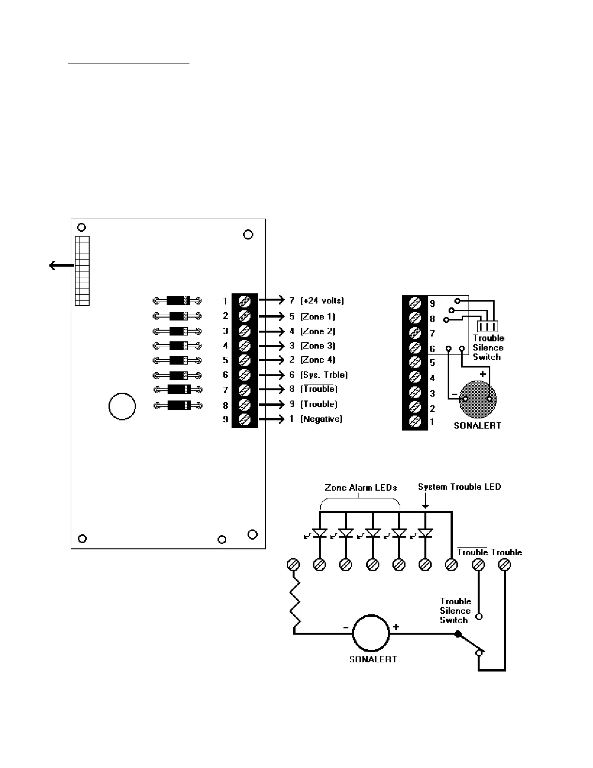
Connect
to
P3
on Main
Board
To RZA-4
Terminal #:
RZA-4
Terminals
Note: For unused zones on the RZA-4, jumper
corresponding terminal(s) on the 40xxLI to
Terminal 1(+12/24 volts). For instance, if
Zones 3 and 4 are not to be used on the RZA-
4, jumper Terminals 4 and 5 on the 40xxLI to
Terminal 1 on the 40xxLI.
1 2 3 4 5 6 7 8 9
RZA-4 Schematic
Figure 3G: 40xxLI - Remote Zone Annunciator (RZA-4) Installation
Remote Zone Annunciator (RZA-4) - This option provides remote LED annunciation of zone alarms and
system trouble status. It includes an audible trouble device with a trouble silence switch. To make use of this
remote function, an LED interface board (40xxLI) must be used. The 40xxLI module is supervised for insertion
(once JP3 is removed from the main board). If the 40xxLI is then removed, all four zone trouble LEDs and the
system trouble LED will come on, and the panel's audible trouble device sounds. All wiring except audible
trouble is supervised for opens and ground faults. The 4012/24 can power only one annunciator.
To install:
* Remove jumper JP3 on the main board.
* Plug the 40xxLI into connector P3 on the main board. Note that either this module or a Zone
Relay Module (40xxZR) may be plugged into P3, but not both.
* Connect the RZA-4 to the 40xxLI as illustrated in Figure 3G below.