EasyManua.ls Logo

Fire-Lite MS-4012 - Page 16

Fire-Lite MS-4012
31 pages
Print Icon
To Next Page IconTo Next Page
To Next Page IconTo Next Page
To Previous Page IconTo Previous Page
To Previous Page IconTo Previous Page
Loading...
16 15586 Rev E 5/14/93 P/N 15586:E
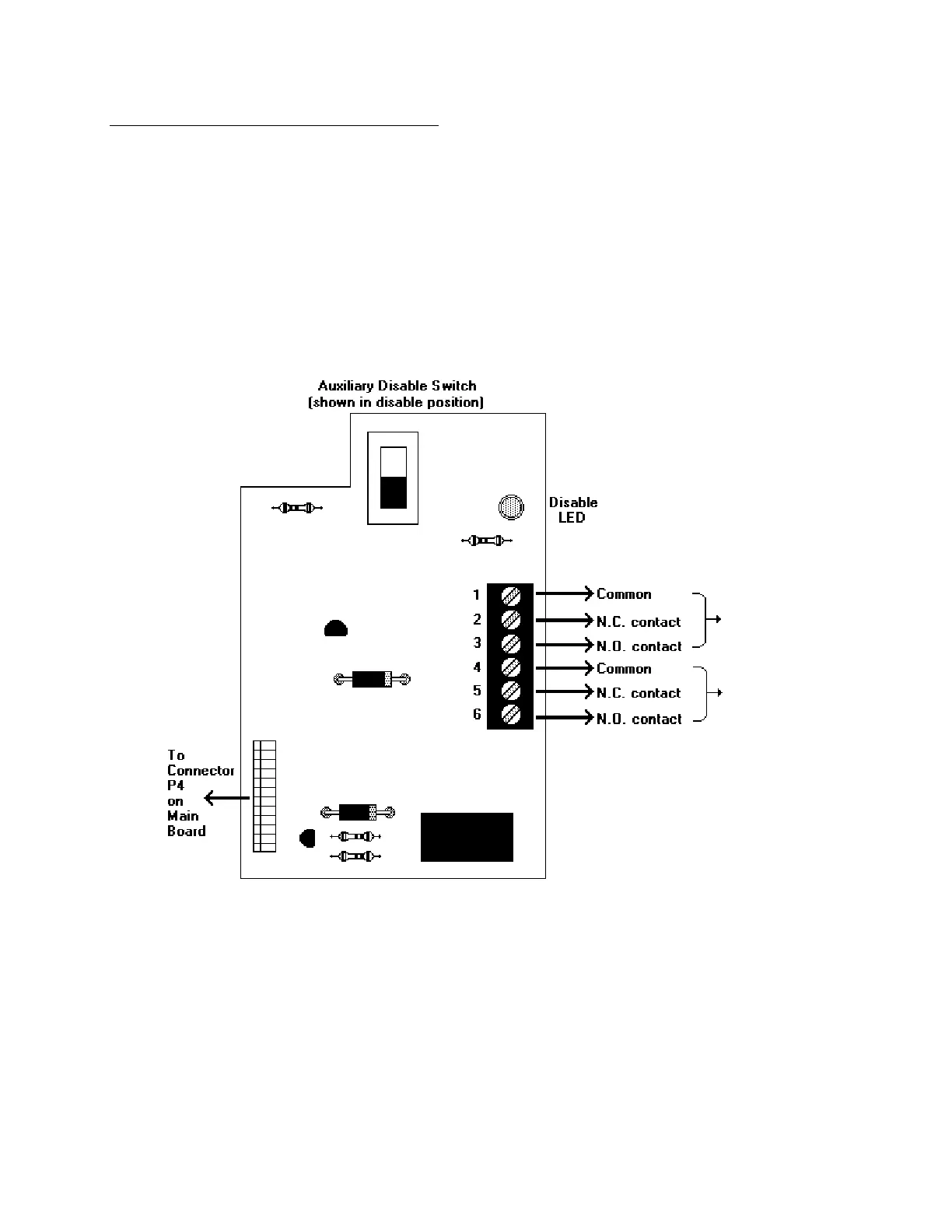
General Alarm and Trouble Module (40xxAT)- This module provides one Form-C general alarm contact
and a system trouble contact. An Auxiliary Disable switch disables the alarm contact and creates a system
trouble condition. A yellow LED indicates when the switch is in the disable position. This module is supervised
for insertion (once jumper JP4 on the main board is cut). If the 40xxAT is then removed, the system trouble
LED will light and the panel's audible trouble device will sound.
Contacts are rated for 2.0 amps at 30 VDC and 0.5 amp at 120 VAC. For applications requiring ULC listing,
these contacts shall be derated to 2 amps at 30 VDC and 0.5 amps at 30 VAC.
To install, remove jumper JP4 on the main board. Plug the module into connector P4 through the standoff.
Secure the board to the main board using two screws provided. Note that either this module or a Transmitter
Module (40xxTM) may be plugged into P4, but not both.
Alarm
Trouble
Figure 3I: 40xxAT General Alarm and Trouble Module Connections