EasyManua.ls Logo

Firestone Air-rite 2581 - Contents and Overview

Firestone Air-rite 2581
16 pages
Print Icon
To Next Page IconTo Next Page
To Next Page IconTo Next Page
To Previous Page IconTo Previous Page
To Previous Page IconTo Previous Page
Loading...
riderite.com3
CONTENTS AND OVERVIEW
PAGE
4
PLANNING THE
INSTALL
PAGE
5
PREPARE THE AIR
COMPRESSOR
PAGE
6
DRILL HOLES FOR
AIR COMPRESSOR
AND ECU
PAGE
7
INSTALL THE
AIR COMPRESSOR
AND ECU
PAGE
8
INSTALL THE
WIRE HARNESS
PAGE
9
INSTALL THE
AIR LINE TUBES
PAGE
10
INSTALL THE
AIR FILTER AND
CLEAN UP
PAGE
11
USING THE WIRELESS
CONTROLLER
PAGE
12
FREQUENTLY ASKED
QUESTIONS
PAGE
13
TEST THE SYSTEM
PAGE
14
FIX AN AIR LEAK
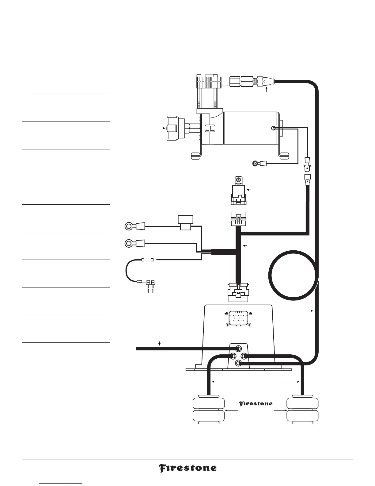
SUP
AS-1 AS-2
EXH
SUP
AS-1 AS-2
EXH
ECU
AIR SPRINGS
(sold separately)
1/8 NPT PUSH-TO-CONNECT
STRAIGHT FITTING
AIR LINE TUBE
AIR LINE TUBE
AIR LINE
TUBE
BLACK
(GROUND)
RED (+)
20 AMP FUSE
RED (+)
RED/WHITE
ECU
CONNECTOR
RELAY
CONNECTOR
(COMPRESSOR +)
BATTERY (+)
YELLOW
+12V IGN
OPTIONAL: Use supplied
Fuse Tap. See important
information on the Using
the Fuse Tap sheet.
OPTIONAL: Install
Air Line Tube to
EXH air fitting.
See page 9 for
important information.
LEFT AIR SPRING
(when facing forward)
RIGHT AIR SPRING
(when facing forward)
WIRE
HARNESS
SEALED
RELAY
AIR FILTER
AIR COMPRESSOR
* As a water/debris
trap. See page 4.
Create
loop in Air
Line Tube.
BLACK (-)
BATTERY (-)