EasyManua.ls Logo

Firman T08072 - Page 43

Firman T08072
48 pages
Print Icon
To Next Page IconTo Next Page
To Next Page IconTo Next Page
To Previous Page IconTo Previous Page
To Previous Page IconTo Previous Page
Loading...
English Customer Service: 1-844-FIRMAN1
42
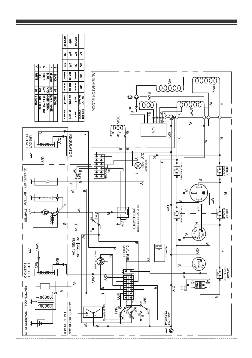
Parts Diagrams - Parts Lists - Wiring Diagram

Related product manuals