EasyManua.ls Logo

Firman WH02942 - Page 81

Firman WH02942
132 pages
Print Icon
To Next Page IconTo Next Page
To Next Page IconTo Next Page
To Previous Page IconTo Previous Page
To Previous Page IconTo Previous Page
Loading...
35
Spanish Servicio al Cliente: 1-844-FIRMAN1
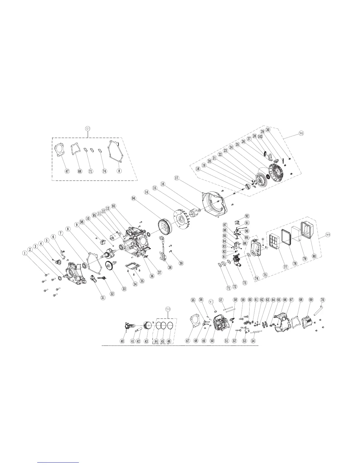
171cc Motor Diagrama De Las Piezas

Table of Contents

Related product manuals