EasyManua.ls Logo

Fizz Nitro-Draught 1200 - Electrical Schematic

Fizz Nitro-Draught 1200
12 pages
Print Icon
To Next Page IconTo Next Page
To Next Page IconTo Next Page
To Previous Page IconTo Previous Page
To Previous Page IconTo Previous Page
Loading...
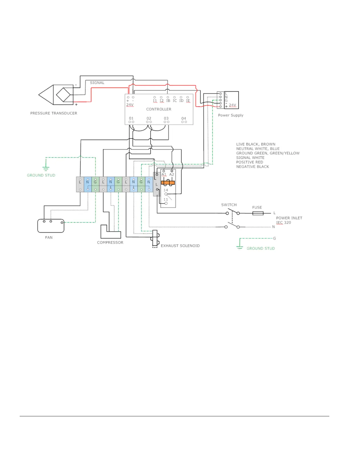
3.2 Electrical Schematic

Related product manuals