EasyManua.ls Logo

Fleet Power 2500 - Page 30

Default Icon
40 pages
Print Icon
To Next Page IconTo Next Page
To Next Page IconTo Next Page
To Previous Page IconTo Previous Page
To Previous Page IconTo Previous Page
Loading...
90-0115-00
10/97 Fltman.pm65
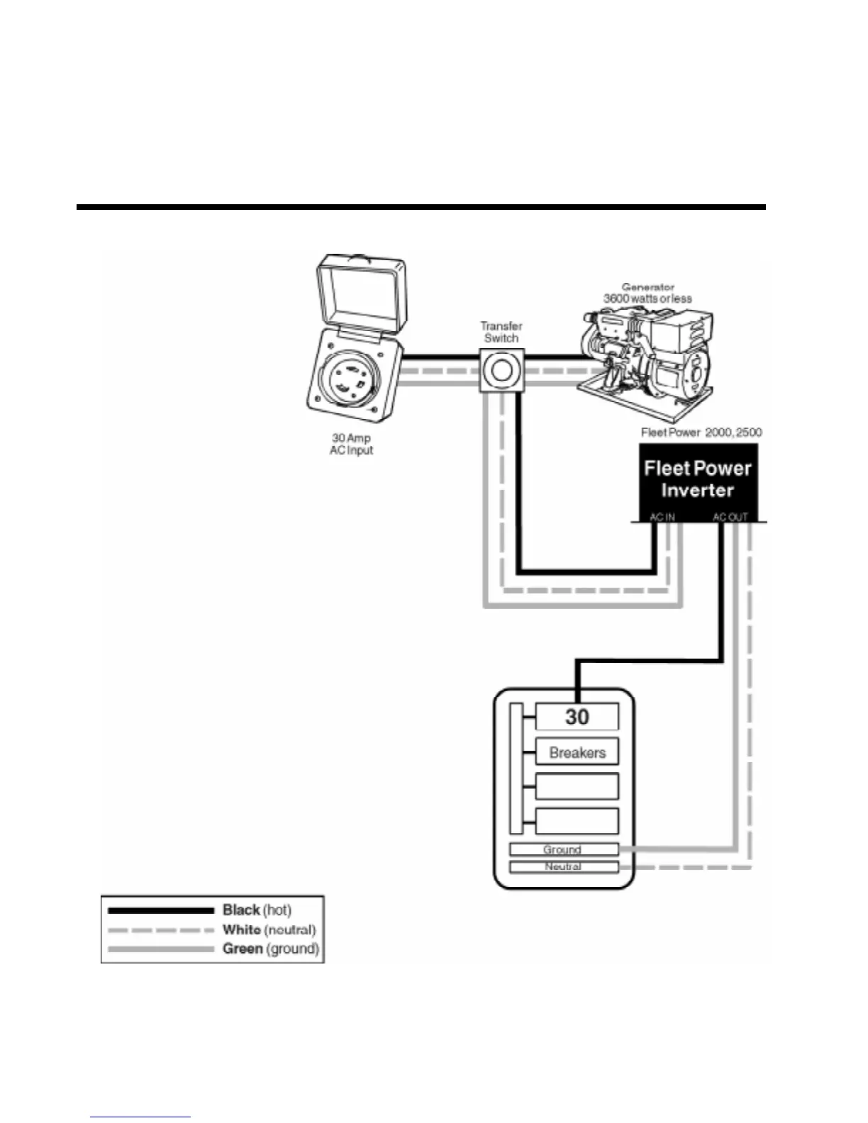
INSTALLATION OPTION 2
30 Amp Shore Power and Generator.
Inverter Runs Entire Panel.
This system has 2 sources of AC
power, shore power and generator. There is
a transfer switch between these two AC
sources. The output of this transfer switch
is switched to the input of the inverter/
charger where it is passed through to the
circuit breaker panel.
The same considerations for Installa-
tion 1 apply to this installation.
30

Related product manuals