EasyManua.ls Logo

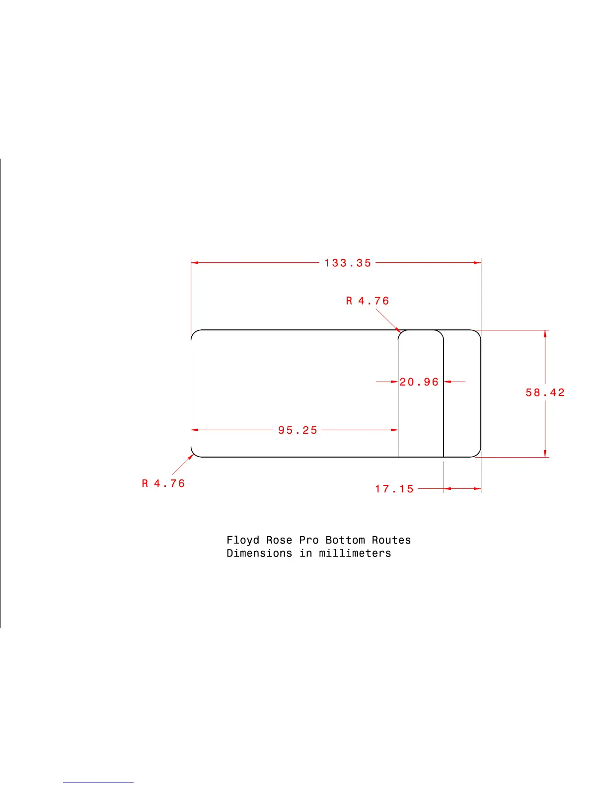
Floyd Rose Tremolo - Floyd Rose Pro Routing Dimensions; Bottom Route Dimensions

Default Icon
6 pages
Print Icon
To Next Page IconTo Next Page
To Next Page IconTo Next Page
To Previous Page IconTo Previous Page
To Previous Page IconTo Previous Page
Loading...