EasyManua.ls Logo

Fluke 6062A - Page 80

Fluke 6062A
86 pages
Print Icon
To Next Page IconTo Next Page
To Next Page IconTo Next Page
To Previous Page IconTo Previous Page
To Previous Page IconTo Previous Page
Loading...
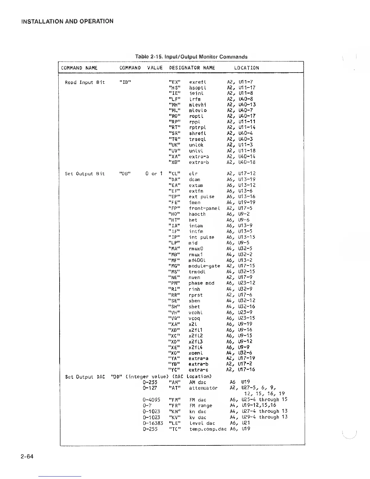
Table 2-15.
Input/Output Monitor Commands
COMMAND NAME
COMMAND VALUE DESIGNATOR NAME
LOCATION
Read Input
Bit "IB" "EX"
exref
1
A2, U11-7
"HS"
hsopt
1
A2, U11-17
"IE" ieinl A2,
U11-8
"LF" 1
rfm A2,
U40-8
"MH"
mlevhi A2, U40-13
"ML" m 1 ev 1 0 A2, U40-7
"RO" roptl U40-17
"RP" rppl
A2,
U11-11
"RT" rptrpl A2^ U11-14
"SR" shre-f
L
A2, U40-4
"TQ"
trseqL A2, U40-3
"UK"
unLok A2,
U11-3
"UV" unlvL
A2^ U11-18
"XA" extra-a A2,
U40-14
"XB" extra-b kZ, U40-18
Set Output Bit "OB" 0 or 1 "CL" cLr kZ, U17-12
"DA" dcam kb, U13-19
"EA" extam kb,
U13-12
"EF" extf m
kb, U13-6
"EP" ext
pulse
kb,
U13-16
"FE" fmen A4, U19-19
"FP" front-panel kZ, U17-5
"HO" haocth kb, U9-2
"HT" het kb, U9-6
"lA" intam kb, U13-9
"IF" intfm kb, U13-5
"IP" int pulse
kb,
U13-15
"LP" mid
kb, U9-5
"MA" rmuxO kk, U32-5
"MB" rm uxl
A4, U32-2
"MF"
mf400l kb, U13-2
"MG" module-gate
kZ, U17-15
"MS"
trmodl A4, U32-15
"NE"
nven
kZ, U17-9
"PM"
phase mod kb, U23-12
"RI" rinh A4, U32-9
"RR" rprst A2, U17-6
"SE" shen kk, U32-12
"SH"
shet A4, U32-16
"VH" vcohl
kb, U23-9
"VQ" vcoq
kb, U23-15
"XA"
x2l
kb, U9-19
"XB" x2fl1
kb,
U9-16
"XC"
x2fl2
A6^ U9-15
"XD" x2fl3 A6, U9-12
"XE"
x2fl4 A6, U9-9
"XO" xoenl
kU, U32-6
"YA"
extra-a kZ, U17-19
"YB" extra-b A2^ U17-2
"YC" extra-c
A2^ U17-16
Set Output DAC "OD"
(integer value) (DAC
Location)
0-255
"AM"
AM dac
kb U19
0-127
"AT" attenuator
kZ, U27-5, b,
9,
12, 15, 16,
19
0-4095
"FM"
FM dac kb,
U25-4 through
15
0-7
"FR" FM
range A4,
U19-12,15,16
0-1023
"KN" kn
dac
A4, U27-4
through 13
0-1023
"KV"
kv
dac
A4, U29-4
through
13
0-16383
"LE"
level dac kb,
U21
0-255
"TC"
temp. comp. dac A6,
U19

Related product manuals