EasyManua.ls Logo

FMI V) DVF42NH - Page 32

Default Icon
40 pages
Print Icon
To Next Page IconTo Next Page
To Next Page IconTo Next Page
To Previous Page IconTo Previous Page
To Previous Page IconTo Previous Page
Loading...
www.fmiproducts.com
125078-01B32
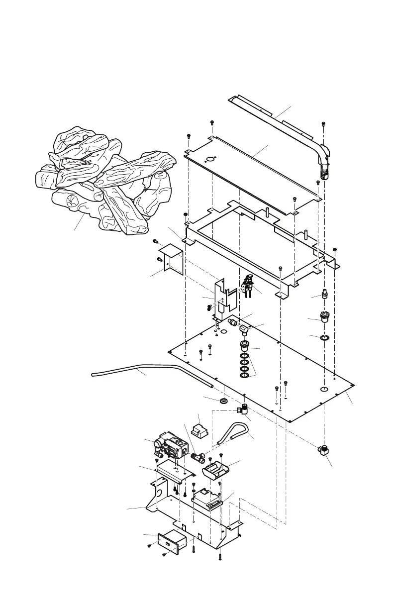
PARTS
BURNER ASSEMBLY MODELS (V)DVF36NS, (V)DVF36PS, (V)DVF36NH, (V)
DVF36PH, DVF-36NS-HA, DVF36NH-HA, (V)DVF42NS, (V)DVF42PS, (V)
DVF42NH, (V)DVF42PH, DVF-42NS-HA, AND DVF42NH-HA
8
15
1
2
3
4
5
7
24
6
9
4
5
10
16
14
12
13
17
25
13
11
18
19
22
23
20
21

Related product manuals