EasyManua.ls Logo

Focal Dome - Page 19

Focal Dome
Print Icon
To Next Page IconTo Next Page
To Next Page IconTo Next Page
To Previous Page IconTo Previous Page
To Previous Page IconTo Previous Page
Loading...
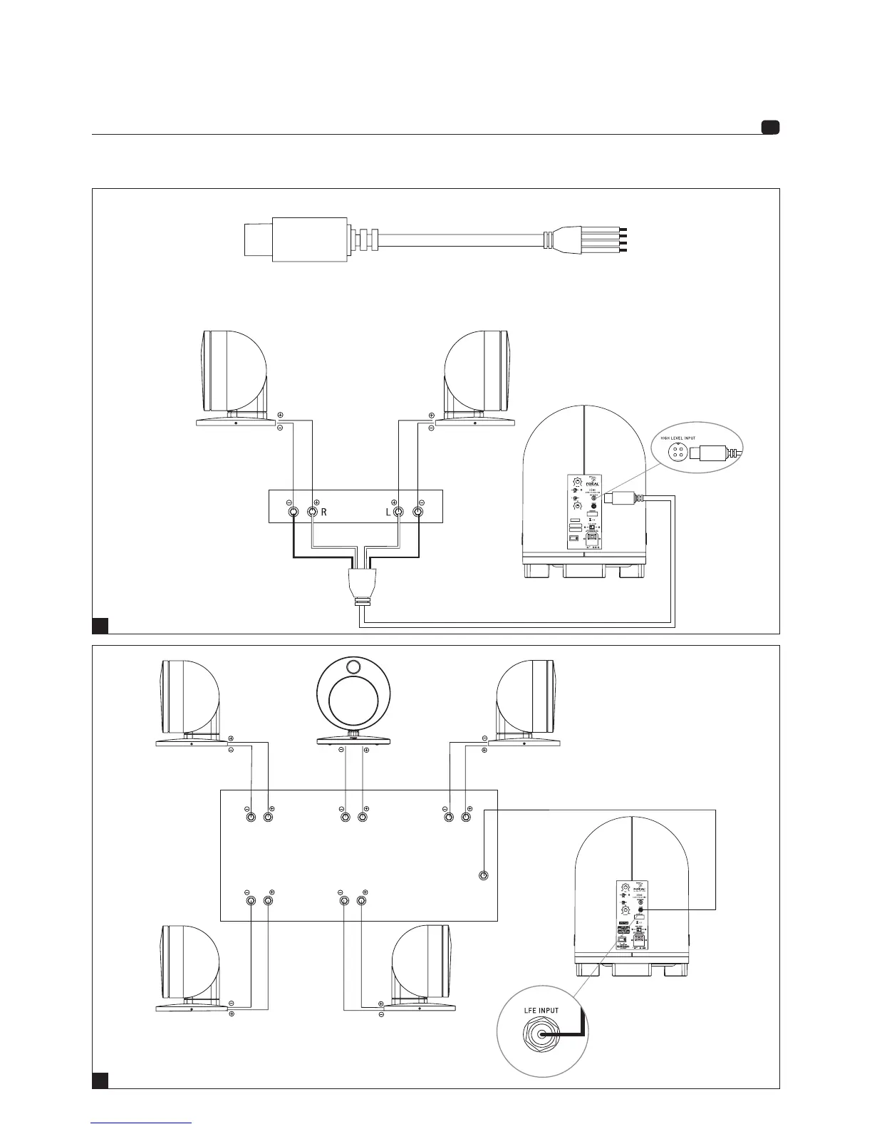
DÔME
User manual/Manuel d'installation
19
I
R
SR SL
Center
L
Sub
J
2.0/2.1
5.1
*uniquement disponible dans certains pays/not available in all countries.

Related product manuals