EasyManua.ls Logo

FONESTAR MA-66 - Block Diagram

FONESTAR MA-66
24 pages
Print Icon
To Next Page IconTo Next Page
To Next Page IconTo Next Page
To Previous Page IconTo Previous Page
To Previous Page IconTo Previous Page
Loading...
EN
- 5 -
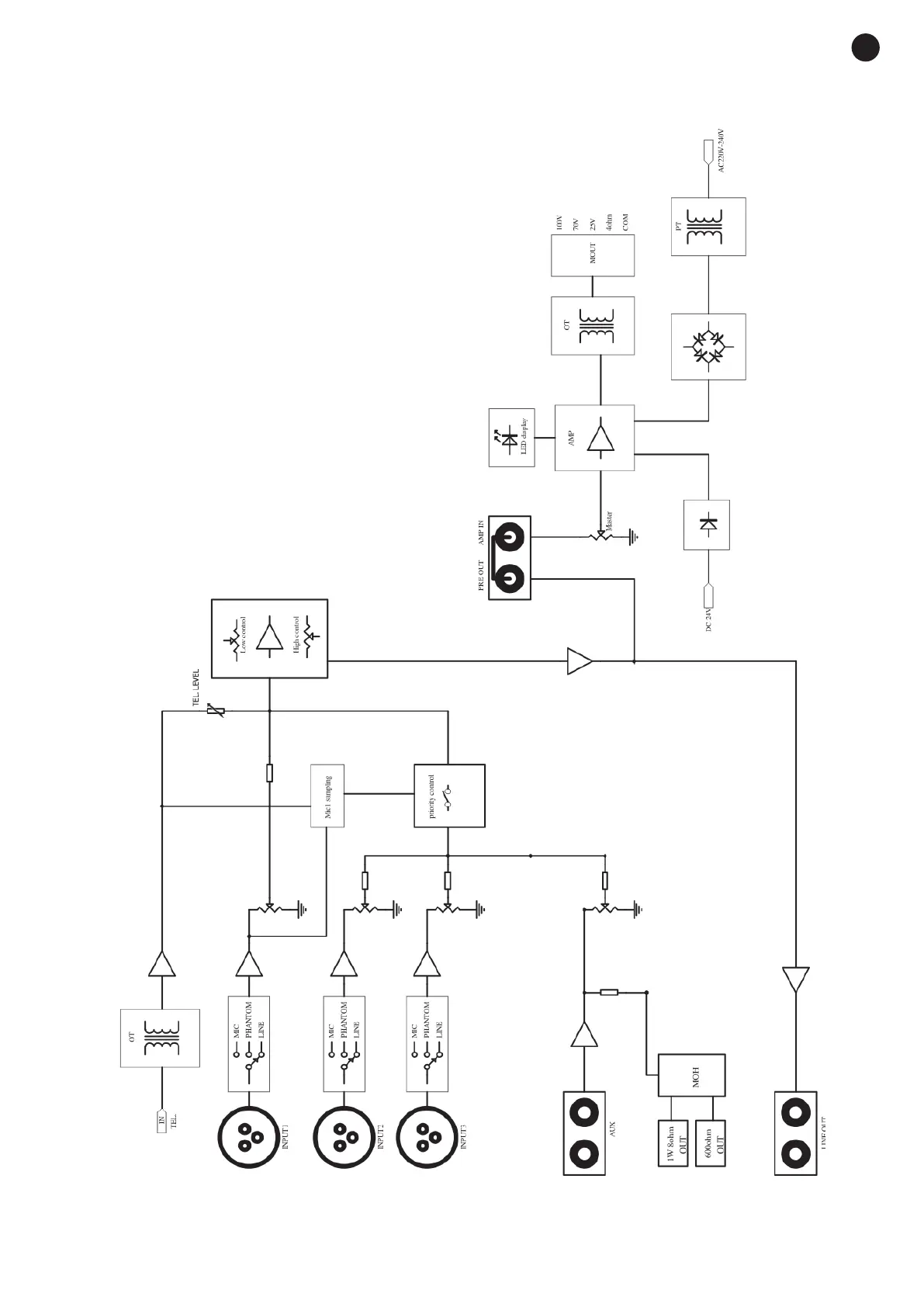
BLOCK DIAGRAM

Related product manuals