EasyManua.ls Logo

FONESTAR MA-66 - Page 9

FONESTAR MA-66
24 pages
Print Icon
To Next Page IconTo Next Page
To Next Page IconTo Next Page
To Previous Page IconTo Previous Page
To Previous Page IconTo Previous Page
Loading...
EN
- 9 -
ES
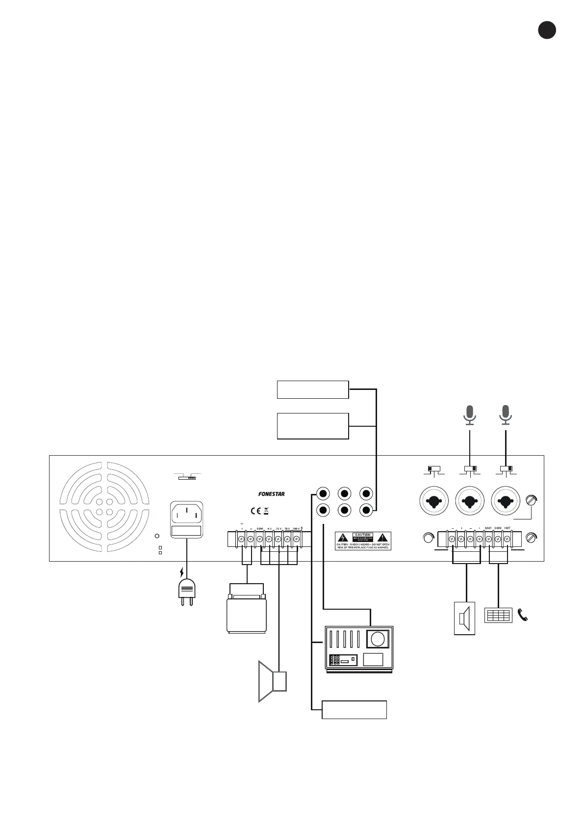
15.- Salida para altavoces. Para la conexión de altavoces en baja impedancia 4 Ω y en alta impedancia
líneas de 100/70/25 V. Conectar la línea de altavoces entre el terminal COM y la impedancia o línea en
V deseada.
16.- DC POWER INPUT: terminales de alimentación 24 V CC. Para funcionamiento del amplificador con
alimentación de 24 V CC, baterías, sistema de alimentación de emergencia, etc. Efectúe la conexión
con cable de 2’5 mm2 de sección a los terminales - negativo y + positivo.
Nota: cuando se utiliza el amplificador con 24 V CC la potencia se reduce un 20% aproximadamente.
CONEXIÓN
Realice las conexiones con el amplificador y todos los componentes del sistema de audio apagados y
desconectados de la alimentación.
En primer lugar conecte las fuentes de audio a las entradas. Conecte los altavoces a la salida de altavoces.
Utilice la salida de baja impedancia 4 Ω o la salida de líneas alta impedancia 100, 70 ó 25 V, según el tipo
de altavoces que vaya a conectar. No utilice los dos tipos de salida al mismo tiempo.
Si utiliza la salida de baja impedancia debe conectar los altavoces en un circuito serie/paralelo de manera
que la impedancia de carga de los altavoces sea igual a la impedancia de salida del amplificador y que la
potencia suministrada por el amplificador no supere la soportada por los altavoces.
Si utiliza la salida de líneas de alta impedancia 100, 70 ó 25 V debe conectar todos los altavoces en paralelo y
la suma de la potencia de todos los altavoces no debe superar la potencia suministrada por el amplificador.
Una vez realizadas las conexiones según sus necesidades, conecte los aparatos a la toma de corriente y
enciéndalos. Tras su uso, no olvide apagar y desconectar el aparato de la toma de corriente.
115 V 230 V
~110-120 V AC. 50/60 Hz FUSE: T6.3AL 250 V
~220-240 V AC. 50/60 Hz FUSE: T3.15AL 250 V
POWER CONSUMPTION: 130 W
24 V DC, 6 A
GND
PRE OUT
AMP IN
MOH
LEVEL LEVEL1 W 8 Ω 600 Ω TEL. INPUT
TEL.
CLASS II WIRING
REC AUX
LINE MIC
PHANTOM
+ 24 V
LINE MIC
PHANTOM
+ 24 V
LINE MIC
PHANTOM
+ 24 V
MA-66
PA AMPLIFIER
90 W MAX., 60 W RMS
MUTE
SEN.
INPUT 1
INPUT 2
INPUT 3
CD
Sintonizador
AM/FM
230 V CA
Ecualizador
Amplificador
Centralita
Altavoz
monitor
BATERÍA
24VCC

Related product manuals