EasyManua.ls Logo

Fortin EVO KEY - Wiring Connection Guide; Vehicle Wiring Connections; Module Harness Integration; Data-Link vs. Standalone Wiring

Fortin EVO KEY
5 pages
Print Icon
To Next Page IconTo Next Page
To Next Page IconTo Next Page
To Previous Page IconTo Previous Page
To Previous Page IconTo Previous Page
Loading...
REMOTE STARTER FUNCTIONNALITY | FONCTIONNALITÉS DU DÉMARREUR À DISTANCE
Page 3 / 4
Ce Guide peut faire l’objet de changement sans préavis. www.ifar.ca pour la récente version.
This Guide may change without notice. www.ifar.ca for latest version.
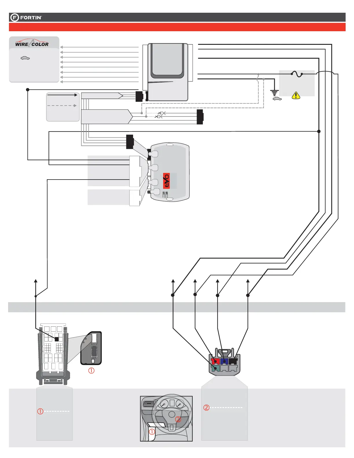
WIRING CONNECTION | GUIDE DE BRANCHEMENTS
31
30
24
9
6
4
22
36
38
39
17
18 29
1
3
5
7
10
11
16
25
44
28
27
46
8
15
23
26
2
37
35
4313
21
19
33
41
40
20
34
4212
14
Blue
Bleu
DATA KEY
Back view
White connector
(46-pins)
Driver kick Panel
Vue de dos
Connecteur Blanc
(46-pins)
Panneau latéral
côté chauffeur
(+)12V
Red
Rouge
(+)Ignition
Green
Vert
(+)Accessory
Blue
Bleu
(+)Starter
Black
Noir
6
32
5
4
1
Back view
Black connector (6-pins)
Ignition switch
Vue de dos Connecteur
Noir (6-pins)
Commutateur d'Ignition
45
32
Ground
MUST BE FUSED
UNE FUSIBLE DOIT
ÊTRE INSTALLÉE
RS2 RS7
PARKING LIGHT
12V BATTERY
Ground | Masse
REMOTE
STARTER
DÉMARREUR
À DISTANCE
RS4 OUT
RS2 IN
(-)
(+)
(+)
P
ARKING LIGHT
RS3 OUT
(-)
WITH | AVEC DATA-LINK:
Direct connection
Branchement directe
RS1
A1
WITH | AVEC DATA-LINK:
ALWAYS REQUIRED
TOUJOURS REQUIS
NOT REQUIRED WITH
DATALINK
NON REQUIS EN
DATA-LINK
RS5 RS8
START
IGNITION2
A
CCESSORY
RS8 OUT
RS6 OUT
RS5 OUT
(+)
(+)
(+)
I
GNITION1
RS7 OUT
(+)
A5
Red/Blue
(+) Start
NC1 White/Green
NO1 White/Blue
COMM1 White/Red
White/Black
KeySens
Lt. Blue
(+/-) Data2
Dk. Blue
White/Black
Red/Blue
Lt. Blue/Black
Lt. Blue
Yellow
OUT
OUT
Lt. Blue/Black
(+/-) Data1
IN/OUT
IN/OUT
Yellow
(+) Ignition
White/Green
White/Blue
White/Red
IN
IN
Dk. Blue
(-) GWR
WITHOUT | SANS DATA-LINK:
Cut | Coupez
Red
Black
Blue
White
B4
B3
B2
B1
Cut | Coupez
Black
Red 12V BATTERY
Ground
B4
B3
A2
A1
A4
A3
A6
A5
D3
D2
D1
D
A
B
C
WHILE RUNNING (-)
OUT RS14
A1
LOCK/ARM
UNLOCK/DISARM
DOOR STATUS
T
RUNK STATUS
FOOT BRAKE
TACHOMETER
TRUNK RELEASE
HAND BRAKE
(-)
(-)
(-)
(-)
(+)
(+/-)
(-)
(-)
IN RS10
OUT RS11
IN RS12
IN RS13
IN RS14
IN RS15
OUT RS16
OUT RS17
TO VEHICLE
-----------------------------------------
AU VÉHICULE.
.com
SEE VOIR
KEY
Page 3 / 5

Other manuals for Fortin EVO KEY

Related product manuals