EasyManua.ls Logo

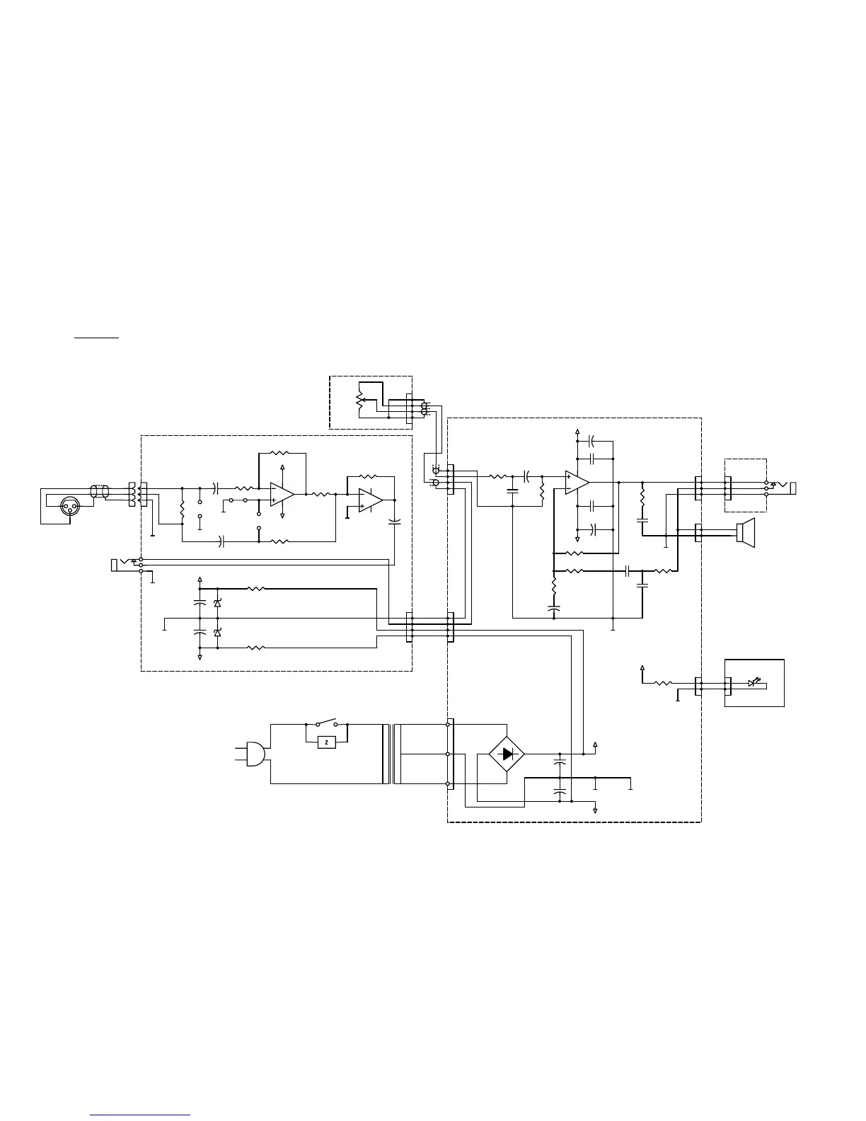
Fostex 6301BEAV - 6301 BE Circuit Diagram

Fostex 6301BEAV
12 pages
Print Icon
To Next Page IconTo Next Page
To Next Page IconTo Next Page
To Previous Page IconTo Previous Page
To Previous Page IconTo Previous Page
Loading...
6301B/BX/BE
11
6301BE
6301-104
6301-102
R23
3.9K
2
1
3
4
W41
1
2
3
VR1
50KA
6301-101
C8
0.1
C3
220/35
+VCC1
EXT SP
SP
6301-103
SP1
1
4
2
JK2
2
1
W10
2
1
3
W31
2
1
3
W13
C10
0.01
C9
0.1
C4
220/35
R8
10
-VCC1
1
2
5
3
4
U1
TDA2050
R1
1K
C1
470P
R2
56K
C2
1/50
R27
3.9K
C23
10/16
2
1
3
4
W14
SGND
6
5
7
U2B
4560
R25
3.9K
JP6
R26
10K
R22
10K
+VCC
-VCC
2
3
8
4
1
U2A
4560
JP7
1
2
3
CN2/W26
R21
10K
C21
10/16
C22
10/16
R24
NON
SGND
SGND
SGND
RED
WHT
GND
BALANCE
INPUT
3
2 1
J3
2
1
3
WIPT
UNBALANCE
INPUT
1
4
2
JK1
C24
47/25
ZD1
15B2
+VCC
SGND
R28
1K
2
1
3
4
W12
2
1
3
4
W21
C5
47/16
R4
1.2K
R5
56K
R6
15K
C6
0.012
R7
1K
C7
0.1
PGND1
6301-105
D2
POWER LED
2
1
W15
2
1
W51
R10
2.2K
+VCC1
SGND1
R29
1K
C25
47/25
ZD2
15B2
SGND
-VCC
AC POWER IN
S1
Z1
P1
ORG
BLK
T1
W11
4
2
1
3
D1
C11
4700/35
+VCC1
PGND1
C12
4700/35
-VCC1
SGND1PGND1
ORG

Related product manuals