EasyManua.ls Logo

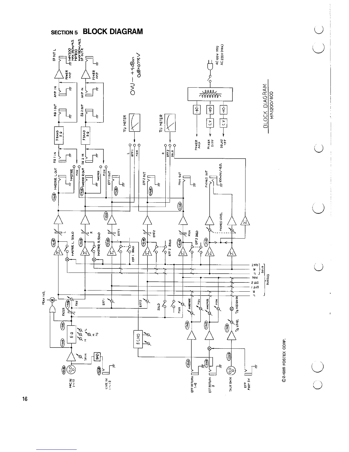
Fostex MP-1200 - SECTION 5 BLOCK DIAGRAM

Fostex MP-1200
20 pages
Print Icon
To Next Page IconTo Next Page
To Next Page IconTo Next Page
To Previous Page IconTo Previous Page
To Previous Page IconTo Previous Page
Loading...

Related product manuals