EasyManua.ls Logo

FoxESS HV2600 - 6 Product Features; Battery System Features

FoxESS HV2600
20 pages
Print Icon
To Next Page IconTo Next Page
To Next Page IconTo Next Page
To Previous Page IconTo Previous Page
To Previous Page IconTo Previous Page
Loading...
6. Product Features
6.1 Battery System Features
The batteries have been fitted with multiple protection systems to ensure the safe operation of the system.
Some of the protection system includes:
· Inverter interface protection: Over voltage, Over current, External Short Circuit, Reverse Polarity,
Ground Fault, Over Temp, In rush current
· Battery Protection: Internal Short Circuit, Over voltage, over current, over temp, Under voltage
The battery system contains the following Interface to allow it to connect and operate efficiently.
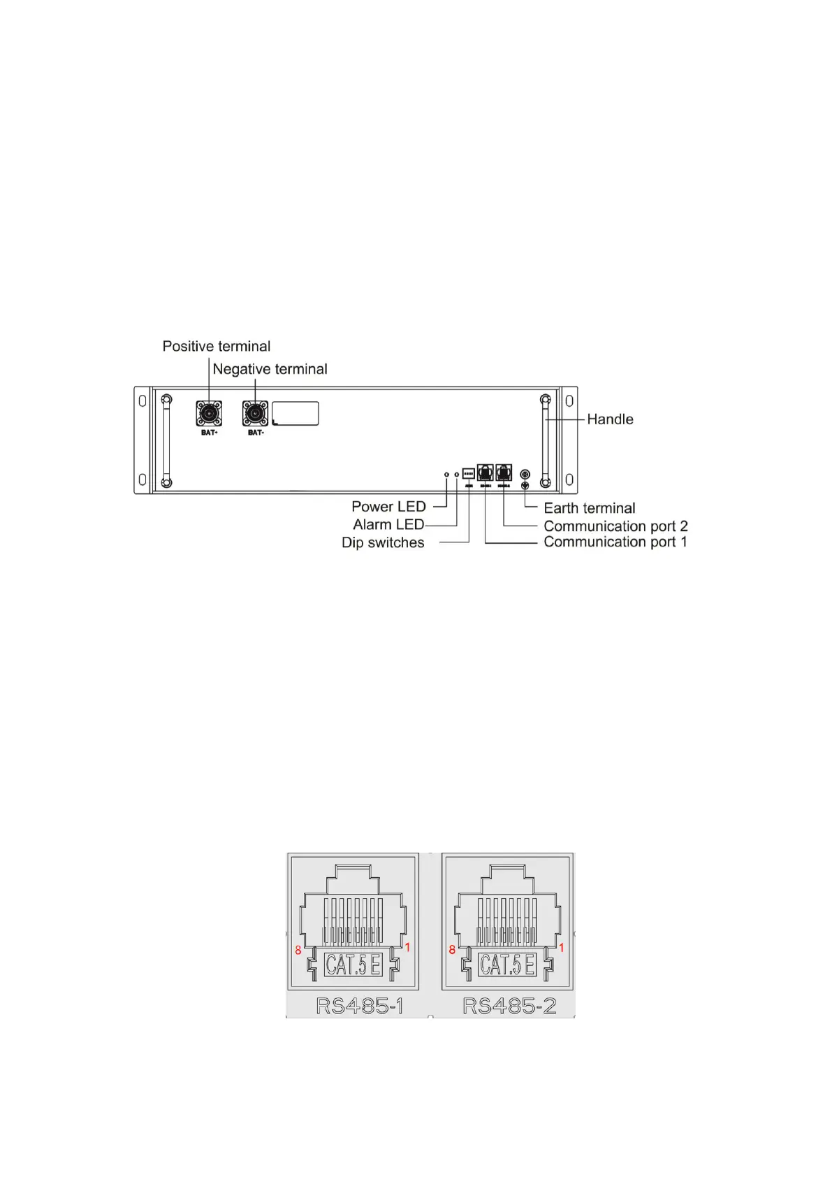
HV2600 Features:
- interface:
Power LED
This LED is used to indicate if the battery is operating effectively. A green light on this LED means the
battery is ON and operating normally.
Alarm LED
This LED is used to indicate if the battery is operating failure. A red light on this LED means the battery is
operating abnormally.
Communication Port A(RS485-1) and B(RS485-2)
HV2600 has two 485 communication units in series operation, one for master control and one for slave
control.
Network interface description: RS485-1 is connected to the upper battery module, RS485-2 is connected
to the lower battery module.