EasyManua.ls Logo

FPT N67 TE2A - Page 30

Default Icon
45 pages
Print Icon
To Next Page IconTo Next Page
To Next Page IconTo Next Page
To Previous Page IconTo Previous Page
To Previous Page IconTo Previous Page
Loading...
29
ENGLISH
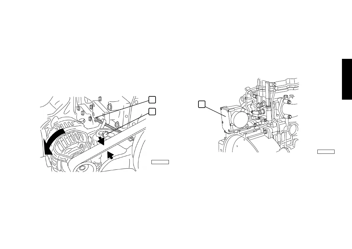
Refers to engines with screw tensioning devices
Check that the belt is not torn or worn, and that there are no
lubricants or fuel on it. If this is not the case, replace them.
Should it be necessary to restore tension in the belt, proceed as
follows:
Loosen the screw fixing the alternator to the bracket (1).
Loosen the bolt anchoring the alternator to its lower support.
Proceed to tighten the tensioner (2), locking the counternut.
On reaching the required tension, lock the fixing screws and bolt.
For engines without a screw tensioner proceed, after loosening the
fixing screws (1) and anchor bolt, by turning the alternator as shown
in the figure until the required tension is reached, after which tighten
the fixing screws and anchor bolt firmly.
Replacing the oil vapour filter
(N67 TE2A/TE1X/TE2X)
Only proceed with the engine stopped and at a low temperature, so
as to avoid the risk of burning.
Loosen the screws and remove the cover (1) of the filter housing.
Remove the two filters and proceed to the replacement.
Install the cover again.
05_588_N
2
1
1
c
m
05_588_N
1
06_012_N

Related product manuals